Zurück zu
motoruf
Warenkorb

Ersatzteillisten für Toro Roth / TORO Neutralzentrierung




Ersatzteilliste


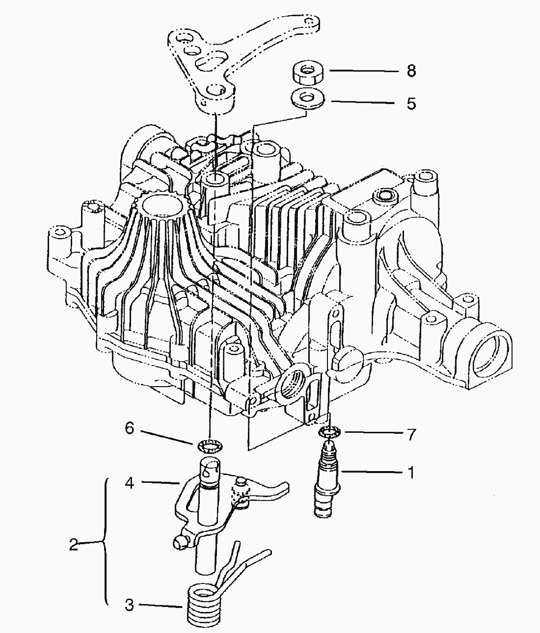
Pos.BezeichnungErsatzteilnummer
1Fulcrum (Only On: 72083, 72043 72103, 72063)93-0413
2Schaft93-0414
3
4
5Washer (Only On: 72083, 72043, 72103, 72063)93-0417
6Packing (Only On: 72083, 72043, 72103, 72063)93-0418
7Dichtung93-0419
8Mutter93-0420
Gebrauchsanweisungen
Toro
Impressum
(C) by motoruf