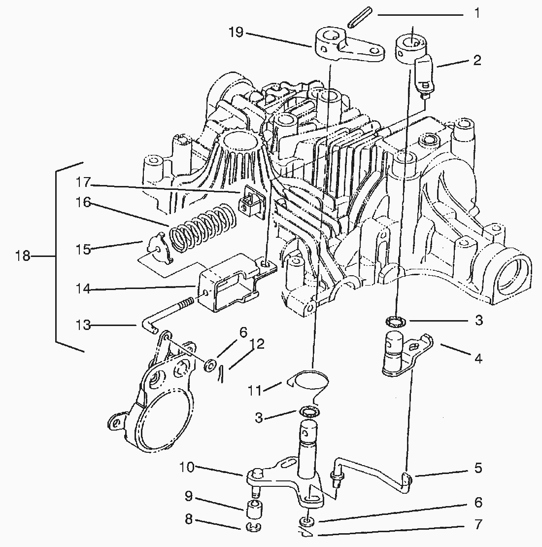
| Pos. | Bezeichnung | Ersatzteilnummer | |
| 1 | Spannstift | 93-0411 |
| 2 | Schaltarm | 93-0433 |
| 3 | Packing (Only On: 72083, 72043, 72103, 72063) | 93-0418 |
| 4 | Schaltarm | 93-0432 |
| 5 | Bremsgestaenge | 93-0431 |
| 6 | Scheibe | 93-0435 |
| 7 | Pin-Snap (Only On: 72083, 72043, 72103, 72063) | 93-0434 |
| 8 | Sicherungsring | 93-0410 |
| 9 | Buechse | 93-0421 |
| 10 | Bremswelle | 93-0430 |
| 11 | Bremsfeder | 93-0422 |
| 12 | Splint | 93-0412 |
| 13 | Bolzen | 93-0428 |
| 14 | Holder-Spring (Only On: 72083, 72043, 72103, 72063) | 93-0426 |
| 15 | Federfuehrung | 93-0425 |
| 16 | Feder | 93-0427 |
| 17 | Federfuehrung | 93-0424 |
| 18 | Rod ASM INC 13-17 (Only On: 72083, 72043, 72103, 72063) | 93-0423 |
| 19 | Bremsarm | 93-0429 |