Zurück zu
motoruf
Warenkorb

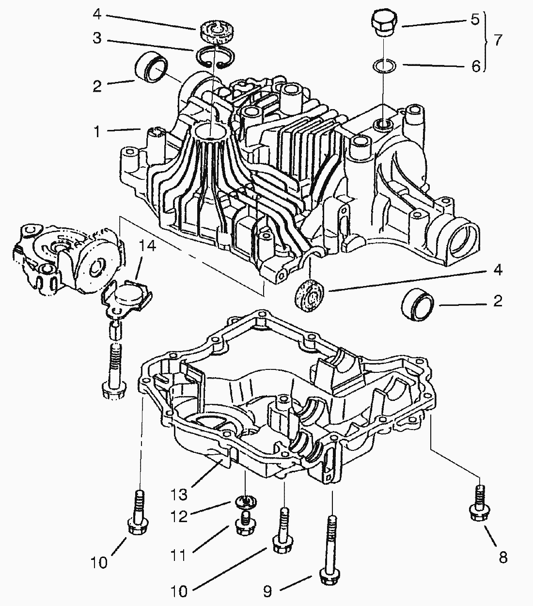
Ersatzteillisten für Toro Roth / TORO Getriebeachs-Gehäuse




Ersatzteilliste


Pos.BezeichnungErsatzteilnummer
1Getriebegehaeuse94-4206
2
3Seegerring93-0360
4Simmerring93-0361
5
6
7Plug/Packing INC 5-6 (Only On: 72083, 72043, 72103, 72063)93-0356
8Schraube93-0363
9Bolt (Only On: 72083, 72043, 72103, 72063)93-0354
10Schraube93-0364
11Bolt (Only On: 72083, 72043, 72103, 72063)93-0362
13Case-Lower94-4207
14Magnet (Only On: 72083, 72043, 72103, 72063)93-0355
Gebrauchsanweisungen
Toro
Impressum
(C) by motoruf