Zurück zu
>
Roth / TORO
>
Aufsitzmäher
>
Traktor
>
246 HE
>
309/72101
>
3900001
>
Hydrauliktank
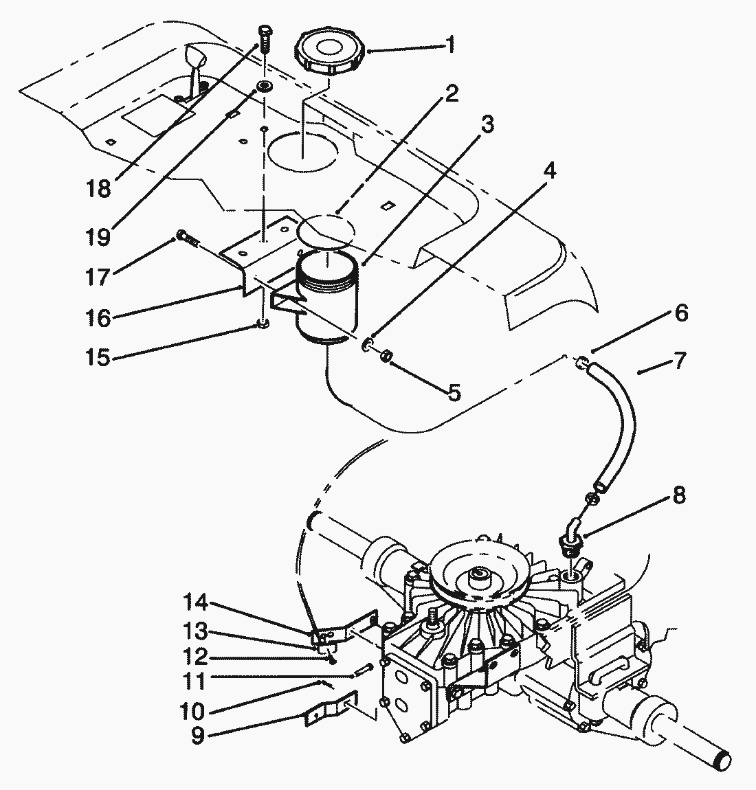
Ersatzteillisten für Toro Roth / TORO Hydrauliktank
Pos.
Bezeichnung
Ersatzteilnummer
1
Hydrauliktank
79-1100
2
Dichtung
114563
3
Reservoir
79-3510
Hydrauliktank
79-3500
4
scheibe
3256-22
5
MUTTER
3296-42
6
Schlauchschelle
79-2380
7
Schlauch
79-2360
8
Barb-Hose
79-7080
9
Plate-Arm
116398
10
Pin-Cotter
932000
11
Splint
932948
12
Screw
926566
13
Clamp
111688
14
Kupplungshebel
79-0380
15
MUTTER
3296-29
16
Bracket
78-8810
17
Schraube
321-6
18
Schraube
322-5
19
Scheibe
3256-23
Gebrauchsanweisungen
Toro
Roth / TORO
Aufsitzmäher
Traktor
264-6
246 HE
309/72101
3900001
Elektro-Schaltplan
Getriebe (Eaton Modell 751-045)
Motor (TORO Power Plus)
Kotflügel & Sitz
Hydrauliktank
Hinterrad & Getriebe
Bremse & Hydraulik-Gestänge
Bremspedal
Spannrolle & Pedalwelle
Aushubgestänge
Armaturenbrett
Lenkwelle & Anzeigen
Lenkrad & Konsole
Kraftstofftank & Lenkung Halter
Kupplung 92-1686
Batteriebefestigung
Motor & Kupplung
Vorderachse
Hauptrahmen
Haube
244-5
212-H
212-5
17-44 HXLE
16-44 HXL
16-38 HXL
16-38 XLE
15-44 HXL
15-38 HXL
14-38 HXL
14-38 XL
13-38 HXL
13-38 XL
13-32 XLE
12-38 HXL
12-38 XL
12-32 XL
264 H
265 H
267 H
268 H
270 H
520 xi
520 Lxi
523 Dxi
Rider
Mähwerke
Zubehör
Handgeräte
Robin
Impressum
(C) by motoruf