Zurück zu
>
Roth / TORO
>
Aufsitzmäher
>
Traktor
>
12-38 XL
>
391/71202
>
5900001
>
Getriebeachse
Ersatzteillisten für Toro Roth / TORO Getriebeachse
Pos.
Bezeichnung
Ersatzteilnummer
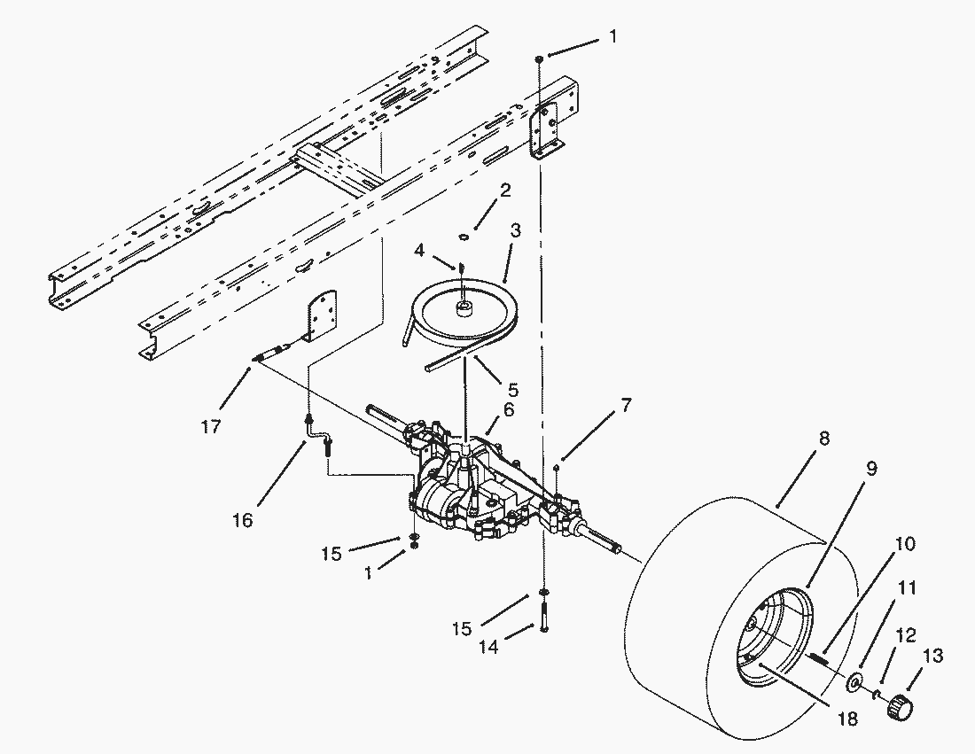
Wheel & Tire Assembly (Incl. Ref.
88-4300
Pos.
Bezeichnung
Ersatzteilnummer
1
MUTTER
3296-29
2
Ring
32120-64
3
Pulley-Transmission
88-4840
4
Keil
3257-23
5
Keilriemen
88-6240
6
Transaxle
88-6450
7
Nippel
302-11
8
Tire
88-4090
9
Rim
88-4390
10
Keil
7-0036
11
Scheibe
28-2480
12
Seegerring
32151-48
13
Abdeckung
61-9780
14
Schraube
322-12
15
Scheibe
3256-23
16
Strap-Torque
88-5350
17
Feder
26-6700
18
Ventil
232-27
Inner Tube (Optional)
232-41
Gebrauchsanweisungen
Toro
Roth / TORO
Aufsitzmäher
Traktor
264-6
246 HE
244-5
212-H
212-5
17-44 HXLE
16-44 HXL
16-38 HXL
16-38 XLE
15-44 HXL
15-38 HXL
14-38 HXL
14-38 XL
13-38 HXL
13-38 XL
13-32 XLE
12-38 HXL
12-38 XL
391/71202
5900001
Peerlesss Getriebeachse Modell-Nr. 915-020 (Fortsetzung)
Peerlesss Getriebeachse Modell-Nr. 915-020
Motor B&S (Modell 286707-0453-01)
Kabel & Abdeckung (38 Schneideinheit) Cable & Cover Assy. (38 Cutting Unit)
Bremse (38 Schneideinheit) Brake Assy. (38 Cutting Unit)
Gehäuse & Spindel (38 Schneideinheit) Housing & Spindle Assy. (38 Cutting Unit)
Schnitthöhe
Getriebeachse
Elektrik
Verstellung
Kupplung
Motor
Lenkung
Vorderachse
Sitz
Haube
Rahmen
4900001
3900001
12-32 XL
264 H
265 H
267 H
268 H
270 H
520 xi
520 Lxi
523 Dxi
Rider
Mähwerke
Zubehör
Handgeräte
Robin
Impressum
(C) by motoruf