Zurück zu
motoruf
Warenkorb

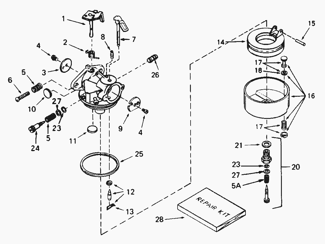
Ersatzteillisten für Toro Roth / TORO Vergaser Tecumseh Nr. 632334A




Pos.BezeichnungErsatzteilnummer
Drain Plunger Assembly (Incl. Ref.27136A
Ersatzteilliste


Pos.BezeichnungErsatzteilnummer
1Shaft/Lever-Throttle631776A
2Schenkelfeder631970
3Drosselklappe631778
4Schraube650506
5Feder630766
5Spring, Adjustment Screw630738
6Schraube650417
7Chokewelle s632112
8Druckfeder630735
9Starterklappe632174
10Plug, Welch630748
11Stopfen631027
12Schwimmerventil631021
13Klemmfeder631022
14Schwimmer632019
15Haltestift631024
16Schwimmergehaeuse631951
18Dichtung27554
20Schraube632239
21Dichtung27110
23Dichtring630740
24Einstellschraube s632281
25Dichtring631028
26Anschlussstueck632164
27Scheibe630739
28Rep.-Satz632347
Gebrauchsanweisungen
Toro
Impressum
(C) by motoruf