Zurück zu
>
Roth / TORO
>
Handgeräte
>
Schneefräsen
>
zweistufig
>
828 PowerShift
>
629/38574
>
1000001
>
Differential Bausatz Modell-Nr. 38038 (wahlw.)
Ersatzteillisten für Toro Roth / TORO Differential Bausatz Modell-Nr. 38038 (wahlw.)
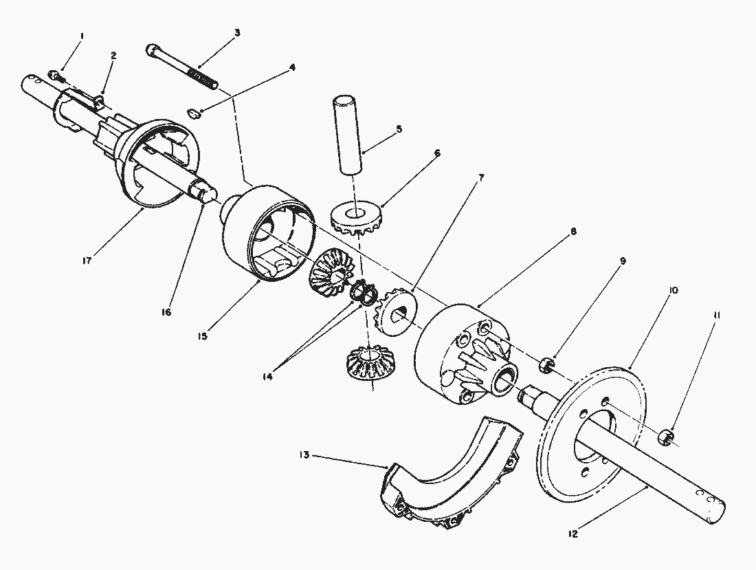
Pos.
Bezeichnung
Ersatzteilnummer
1
Screw-Hex. Washer Hd.
32144-73
2
Feder
68-9260
3
Screw-Hex. Socket Hd.
3274-82
4
Keil
3257-41
5
6
7
8
Housing-Female
68-9220
9
Mutter
3217-6
10
Kettenrad
68-9271
Zahnrad
68-9270
11
Mutter
3296-47
12
Welle
68-9230
13
Kettenschutz
68-9310
14
Ring
32120-93
15
Gehaeusehaelfte
68-9210
16
Welle
68-9240
17
Kupplung
68-9250
Abdeckung
68-8410
Decal-Caution/Instructions
68-9390
Ritzel
68-9280
Gebrauchsanweisungen
Toro
Roth / TORO
Aufsitzmäher
Handgeräte
Kehrmaschinen
Schneefräsen
Zubehör
zweistufig
1332 PowerShift
1232 PowerShift
1132 PowerShift
1132
1028 PowerShift
924 PowerShift
828 PowerShift
629/38574
2000001
1000001
Rücklaufstarter Tecumseh Nr. 590630
Motor Tecumseh (Modell-Nr. HM80-155386P) (Fortsetzung)
Motor Tecumseh (Modell-Nr. HM80-155386P)
Vergaser Tecumseh Nr. 632334A
Elektrostarter Motor Nr. 37-4810 (wahlw.)
Differential Bausatz Modell-Nr. 38038 (wahlw.)
Wetterschutz Nr. 68-9500 (wahlw.)
Seiten-Schneidschiene (wahlw.)
Beleuchtung
Holm
Antrieb Gestänge
Antrieb
Getriebe Nr. 66-8030 (Fortsetzung)
Getriebe Nr. 66-8030
Motor
Getriebegehäuse Nr. 66-8021
Gehäuse & Auswurf (Fortsetzung)
Gehäuse & Auswurf
0000001
629/38545
824 PowerShift
824 XL
824
724
624 PowerShift
622
521
3521
einstufig
Sauger/Bläser
Rasenmäher
Robin
Impressum
(C) by motoruf