Zurück zu
>
Roth / TORO
>
Handgeräte
>
Rasenmäher
>
2-Takt Radantrieb
>
237/22036
>
2000001
>
Vergaser (Modell-Nr. 47PM1-3)
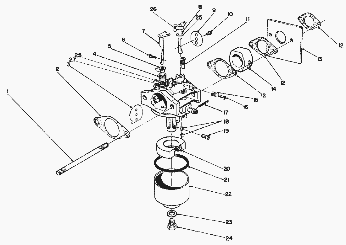
Ersatzteillisten für Toro Roth / TORO Vergaser (Modell-Nr. 47PM1-3)
Pos.
Bezeichnung
Ersatzteilnummer
1
STEHBOLZEN
81-5450
2
DICHTUNG
81-0090
3
81-0240
4
FEDER
81-0230
5
BUECHSE
81-0220
6
SCHRAUBE
81-2160
7
CHOKEWELLE
81-1950
8
DROSSELWELLE
81-0250
9
DROSSELKLAPPE
81-0260
10
SCHRAUBE
81-0270
11
DUESE(40)
81-1030
12
DICHTUNG
81-0780
13
SCHILD
81-5490
14
ISOLIERSTUECK
81-2190
15
Feder
81-2580
16
Schraube
50-0250
17
Stift
81-2600
18
SCHWIMMERNADEL
81-4910
19
Hauptduese
81-1060
DUESE
81-2340
20
SCHWIMMER
81-0970
21
DICHTUNG
81-1010
22
SCHWIMMERGEHAEUSE
81-5660
23
DICHTUNG
81-1020
24
SCHRAUBE
81-5670
VERGASER-REP.-SATZ
12-6379
25
Dichtung
81-2530
26
Ring
81-2540
27
Dichtung
81-2550
Carburetor Assy. Complete
81-5430
VERGASER
81-2520
SCHWIMMERVENTIL
81-5810
Gebrauchsanweisungen
Toro
Roth / TORO
Aufsitzmäher
Handgeräte
Kehrmaschinen
Schneefräsen
Sauger/Bläser
Rasenmäher
Grasfangvorrichtungen
4-Takt Radantrieb
4-Takt
2-Takt Radantrieb
295/26643
295/26643 B
295/26640 BC
295/26640 B
287/20916B
277
255/22700 BC
255/22700
239
237/22045
237/22045 B
237/22044 BC
237/22036
2000001
Vergaser (Modell-Nr. 47PM1-3)
Starter (Modell-Nr. 47PM1-3)
Regler (Modell-Nr. 47PM1-3)
Zündung (Modell-Nr. 47PM1-3)
Auspuff (Modell-Nr. 47PM1-3)
Kurbelwelle (Modell-Nr. 47PM1-3)
Seitauswurf Modell-Nr. 59110 (wahlw.)
Recycler Kit Modell-Nr. 59182 (wahlw.)
Fangkorb Nr. 11-5609
Kraftstofftank
Holm
Getriebegehäuse (Fortsetzung)
Getriebegehäuse
Motor
Gehäuse (Fortsetzung)
Gehäuse
1000001
0000001
237/22035
234
224
222/16212 WG
2-Takt
Elektro
Akku
Robin
Impressum
(C) by motoruf