Zurück zu
motoruf
Warenkorb

Ersatzteillisten für Toro Roth / TORO Motor




Ersatzteilliste


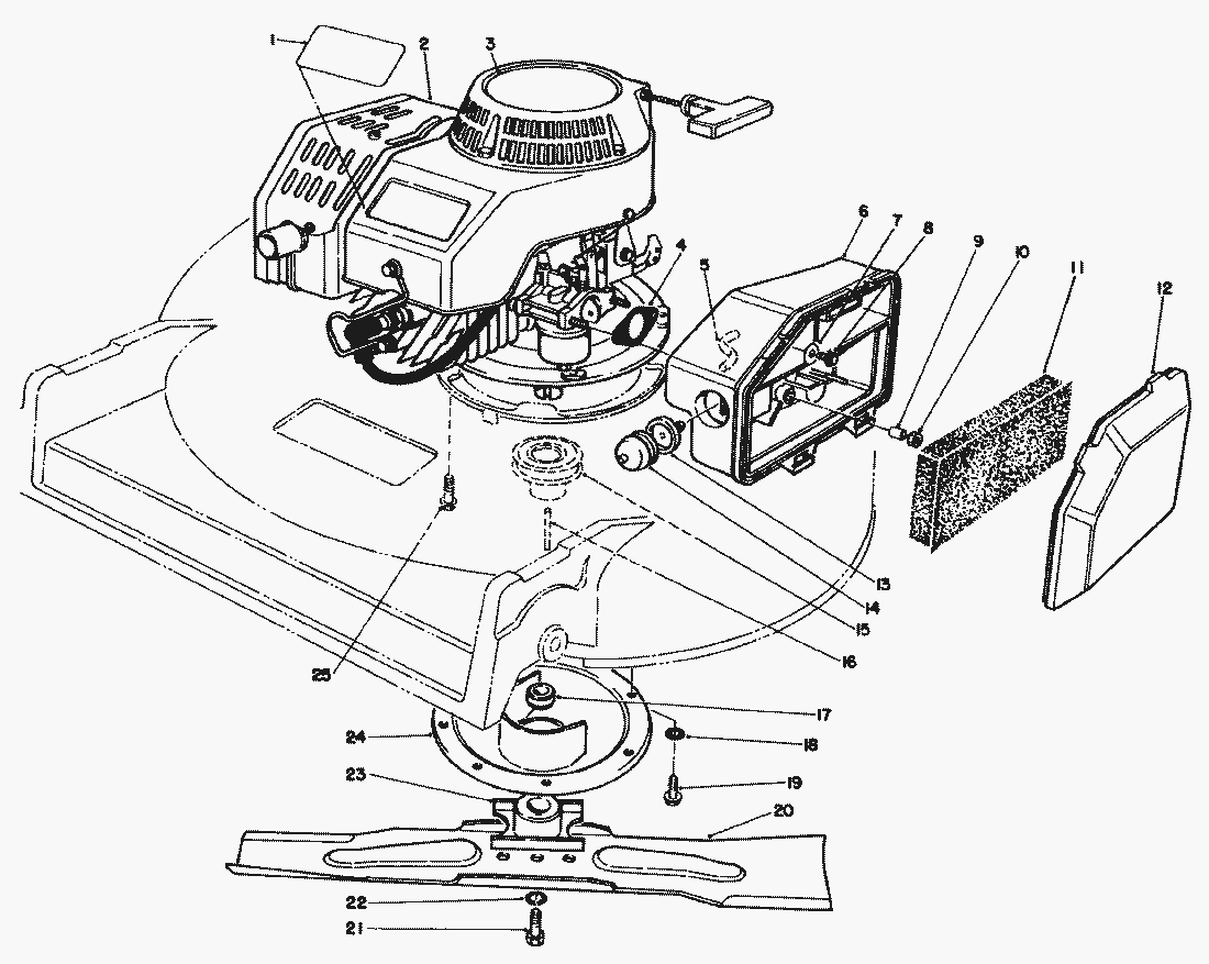
Pos.BezeichnungErsatzteilnummer
1Schild71-1260
2Engine-Complete61-8062
3Klebeschild77-0040
4DICHTUNG81-0090
5Schlauch44-3172
6Luftfiltergehaeuse63-9330
7SCHEIBE3256-16
8SCHRAUBE51-2690
9Buechse62-3980
10Mutter50-7180
11Filtereinsatz63-9380
12Luftfilterdeckel63-9340
13Primer-Koerper44-2750
14Primerknopf66-7460
15Keilriemenscheibe46-7910
16Key-Square27-6300
17Distanzstueck52-2190
18Federring3254-6
19Schraube32144-70
20Key62-7700
21Schraube26-0670
22Federring3253-22
23Blade-Retainer52-2170
24Abdeckung65-5860
25Schraube66-9300
Gebrauchsanweisungen
Toro
Impressum
(C) by motoruf