Zurück zu
motoruf
Warenkorb

Ersatzteillisten für Toro Roth / TORO Vergaser (Modell-Nr. 47PK9-3)




Ersatzteilliste


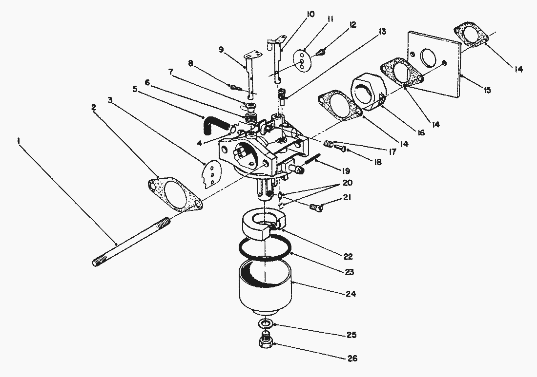
Pos.BezeichnungErsatzteilnummer
1STEHBOLZEN81-5450
2DICHTUNG81-0090
381-0240
4SCHLAUCH81-5470
5KLAMMER81-5460
6FEDER81-0230
7BUECHSE81-0220
8SCHRAUBE81-2160
9CHOKEWELLE81-1950
10DROSSELWELLE81-0250
11DROSSELKLAPPE81-0260
12SCHRAUBE81-0270
13DUESE(40)81-1030
14DICHTUNG81-0780
15SCHILD81-5490
16ISOLIERSTUECK81-5440
17Feder81-2580
18Schraube50-0250
19Stift81-2600
20SCHWIMMERNADEL81-4910
21Hauptduese81-1060
DUESE81-2340
22SCHWIMMER81-0970
23DICHTUNG81-1010
24SCHWIMMERGEHAEUSE81-5660
25DICHTUNG81-1020
26SCHRAUBE81-5670
VERGASER-REP.-SATZ12-6379
Carburetor Assy. Complete81-5430
Gebrauchsanweisungen
Toro
Impressum
(C) by motoruf