Zurück zu
>
Roth / TORO
>
Handgeräte
>
Rasenmäher
>
2-Takt Radantrieb
>
237/22036
>
0000001
>
Motor
Ersatzteillisten für Toro Roth / TORO Motor
Pos.
Bezeichnung
Ersatzteilnummer
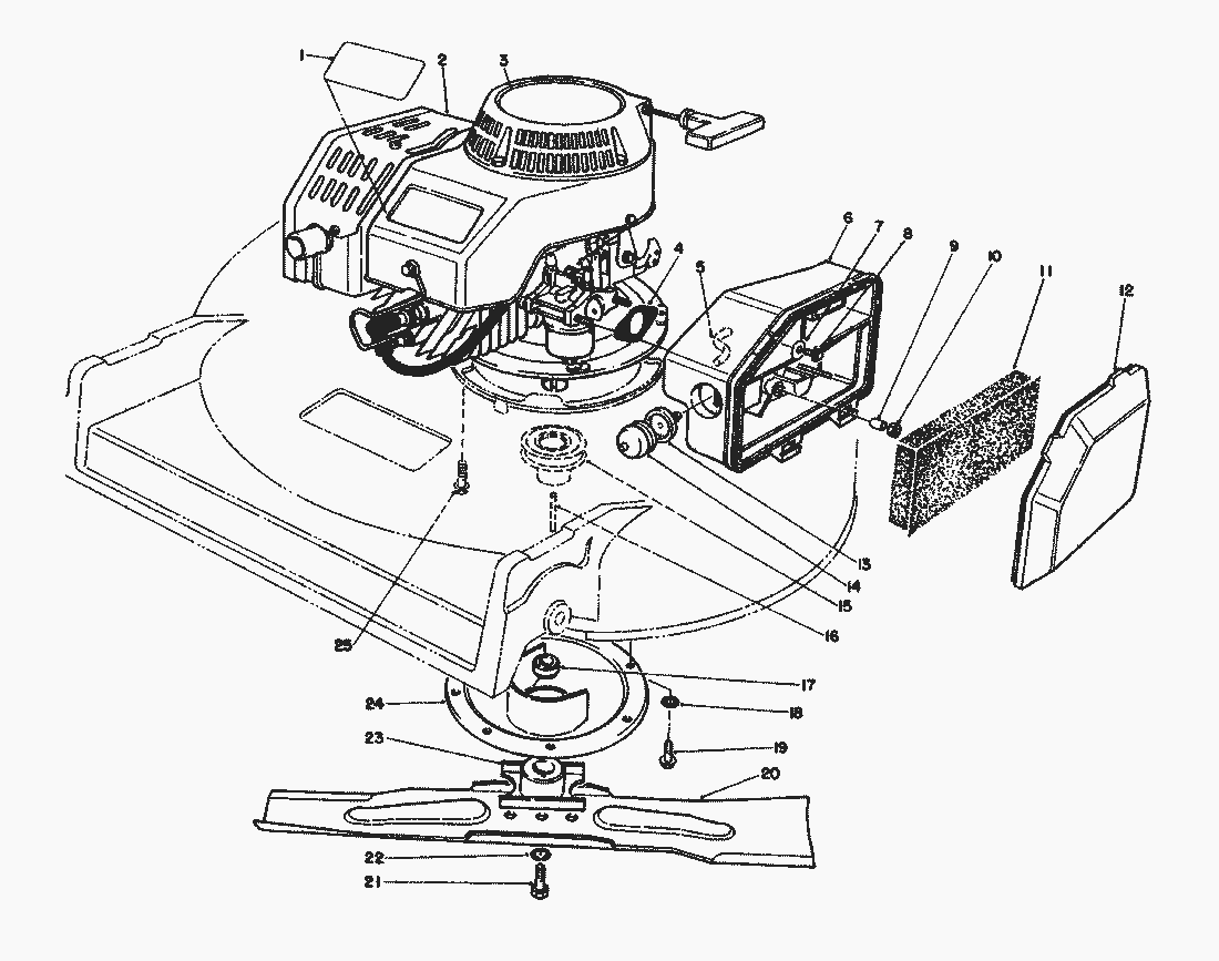
1
Schild
71-1260
2
Engine-Complete
61-8062
3
Klebeschild
77-0040
4
DICHTUNG
81-0090
5
Schlauch
44-3172
6
Luftfiltergehaeuse
63-9330
7
SCHEIBE
3256-16
8
SCHRAUBE
51-2690
9
Buechse
62-3980
10
Mutter
50-7180
11
Filtereinsatz
63-9380
12
Luftfilterdeckel
63-9340
13
Primer-Koerper
44-2750
14
Primerknopf
66-7460
15
Keilriemenscheibe
46-7910
16
Key-Square
27-6300
17
Distanzstueck
52-2190
18
Federring
3254-6
19
Schraube
32144-70
20
Key
62-7700
21
Schraube
26-0670
22
Federring
3253-22
23
Blade-Retainer
52-2170
24
Abdeckung
65-5860
25
Schraube
66-9300
Gebrauchsanweisungen
Toro
Roth / TORO
Aufsitzmäher
Handgeräte
Kehrmaschinen
Schneefräsen
Sauger/Bläser
Rasenmäher
Grasfangvorrichtungen
4-Takt Radantrieb
4-Takt
2-Takt Radantrieb
295/26643
295/26643 B
295/26640 BC
295/26640 B
287/20916B
277
255/22700 BC
255/22700
239
237/22045
237/22045 B
237/22044 BC
237/22036
2000001
1000001
0000001
Vergaser (Modell-Nr. 47PK9-3)
Starter (Modell-Nr. 47PK9-3)
Regler (Modell-Nr. 47PK9-3)
Zündung (Modell-Nr. 47PK9-3)
Auspuff (Modell-Nr. 47PK9-3)
Teilemotor (Modell-Nr. 47PK9-3)
Seitauswurf Modell-Nr. 59110 (wahlw.)
Metall-Fangvorrichtung (Modell 22099)
Fangkorb Nr. 11-5609
Kraftstofftank
Holm
Getriebegehäuse (Fortsetzung)
Getriebegehäuse
Motor
Gehäuse (Fortsetzung)
Gehäuse
237/22035
234
224
222/16212 WG
2-Takt
Elektro
Akku
Robin
Impressum
(C) by motoruf