Zurück zu
>
Roth / TORO
>
Handgeräte
>
Schneefräsen
>
zweistufig
>
724
>
637/38073
>
3900001
>
Trommel
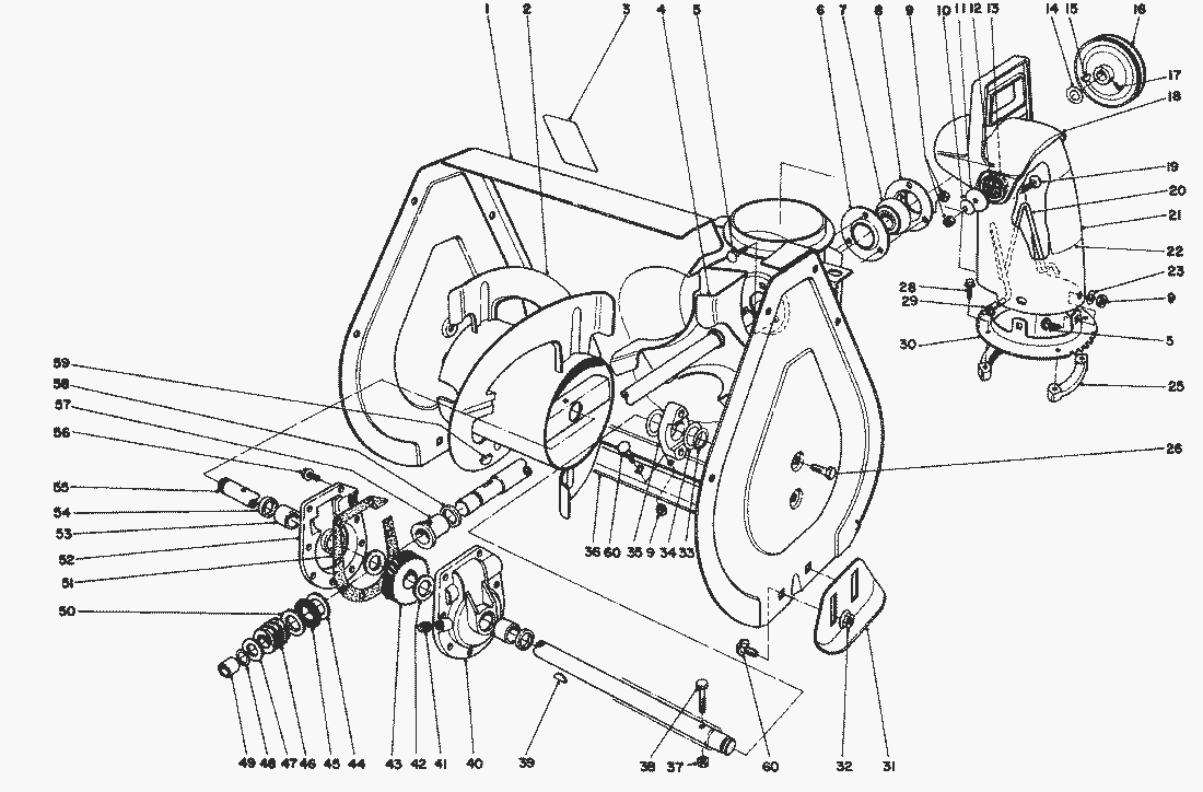
Ersatzteillisten für Toro Roth / TORO Trommel
Pos.
Bezeichnung
Ersatzteilnummer
Housing-Auger (Incl. ref.
14-8119
Pos.
Bezeichnung
Ersatzteilnummer
2
Auger-R.H.
74-1600
Auger-L.H.
74-1590
3
Decal-Auger Warning
53-7670
4
Shaft & Impeller
37-6990
5
Carriage Bolt
3230-18
6
7
Lager
63-3450
8
9
MUTTER
3296-29
10
Scheibe
3290-340
11
Scheibe
3256-68
12
Sicherungsscheibe
55-8950
13
Scheibe
20-4320
14
Scheibe
3-0737
15
Keil
3257-5
16
Keilriemenscheibe
37-6890
17
Schraube
3242-4
18
Leitblech
56-2680
19
Bolzen
3230-22
20
Auswurfschutz
56-2670
21
Discharge Chute Assembly (Incl. Ref.
13-7979
Chute-Discharge (Incl. Ref.
12-8749
22
Decal-Danger Chute (Model No. 38500)
63-3740
Decal-Discharge
63-3760
23
Scheibe
3256-23
25
Fuehrungsstueck
37-6490
26
Schraube
32144-70
28
Schraube
27-0220
Gebrauchsanweisungen
Toro
Roth / TORO
Aufsitzmäher
Handgeräte
Kehrmaschinen
Schneefräsen
Zubehör
zweistufig
1332 PowerShift
1232 PowerShift
1132 PowerShift
1132
1028 PowerShift
924 PowerShift
828 PowerShift
824 PowerShift
824 XL
824
724
637/38073
9900001
8900001
7900001
6900001
5900001
4900001
3900001
Vergaser Nr. 632371A
Elektrostarter Motor Nr. 38-7590
Rücklaufstarter Nr. 590646
Motor Tecumseh (Modell HSK70-130282R) (Fortsetzung)
Motor Tecumseh (Modell HSK70-130282R)
Holm (Fortsetzung)
Holm
Motor
Antrieb (Fortsetzung)
Antrieb
Trommel (Fortsetzung)
Trommel
624 PowerShift
622
521
3521
einstufig
Sauger/Bläser
Rasenmäher
Robin
Impressum
(C) by motoruf