Zurück zu
>
Roth / TORO
>
Handgeräte
>
Schneefräsen
>
zweistufig
>
724
>
637/38073
>
3900001
>
Antrieb
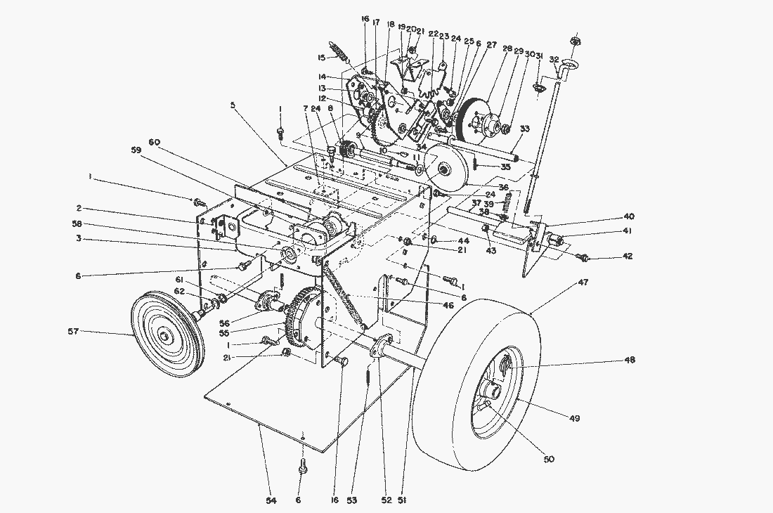
Ersatzteillisten für Toro Roth / TORO Antrieb
Pos.
Bezeichnung
Ersatzteilnummer
Intermediate Gear & Bushing (Incl. Ref.
37-9160
Pos.
Bezeichnung
Ersatzteilnummer
1
Schraube
32144-70
2
Mount-Clutch Rod Front
66-6790
3
Frame-Friction Plate
88-0550
5
Traction Frame
37-8900
6
Schraube
32144-4
7
Mount-Clutch Rod Rear
37-9070
8
Zahnrad
37-6500
9
Welle
37-6780
10
Keil
3257-24
11
Scheibe
5-7570
12
Bushing
256-86
13
Lager
20-1620
14
Bracket-Sliding
39-1230
15
Feder
37-8880
16
Schraube
322-2
18
Scheibe
10-9280
19
Mutter
3296-16
20
Mount-Quadrant Gear
37-8790
21
MUTTER
3296-29
22
Cam Receiver
39-1250
23
Quadrant-Gear
37-8801
24
Schraube
37-8770
25
MUTTER
3296-29
27
Scheibe
36-4790
28
Reibrad
37-6570
29
Flansch
39-1520
30
Stopmutter
3296-48
31
Mutter
32128-33
32
Hebel
39-3060
33
Welle
37-6760
34
Schraube
321-4
35
Stift
32121-45
36
Reibscheibe
38-0800
37
Traction Engagement Assy.
88-0750
38
Mutter
32128-32
39
Druckfeder
38-4520
40
Bracket-Traction
38-4490
41
Spacer
40-9680
42
Schraube
40-8350
43
MUTTER
3296-42
44
Sicherungsring
32151-61
46
Spring-Friction Plate Frame
37-8870
47
Reifen
231-120
48
Stift
3290-243
Gebrauchsanweisungen
Toro
Roth / TORO
Aufsitzmäher
Handgeräte
Kehrmaschinen
Schneefräsen
Zubehör
zweistufig
1332 PowerShift
1232 PowerShift
1132 PowerShift
1132
1028 PowerShift
924 PowerShift
828 PowerShift
824 PowerShift
824 XL
824
724
637/38073
9900001
8900001
7900001
6900001
5900001
4900001
3900001
Vergaser Nr. 632371A
Elektrostarter Motor Nr. 38-7590
Rücklaufstarter Nr. 590646
Motor Tecumseh (Modell HSK70-130282R) (Fortsetzung)
Motor Tecumseh (Modell HSK70-130282R)
Holm (Fortsetzung)
Holm
Motor
Antrieb (Fortsetzung)
Antrieb
Trommel (Fortsetzung)
Trommel
624 PowerShift
622
521
3521
einstufig
Sauger/Bläser
Rasenmäher
Robin
Impressum
(C) by motoruf