Zurück zu
motoruf
Warenkorb

Ersatzteillisten für Toro Roth / TORO Trommel (Fortsetzung)




Ersatzteilliste


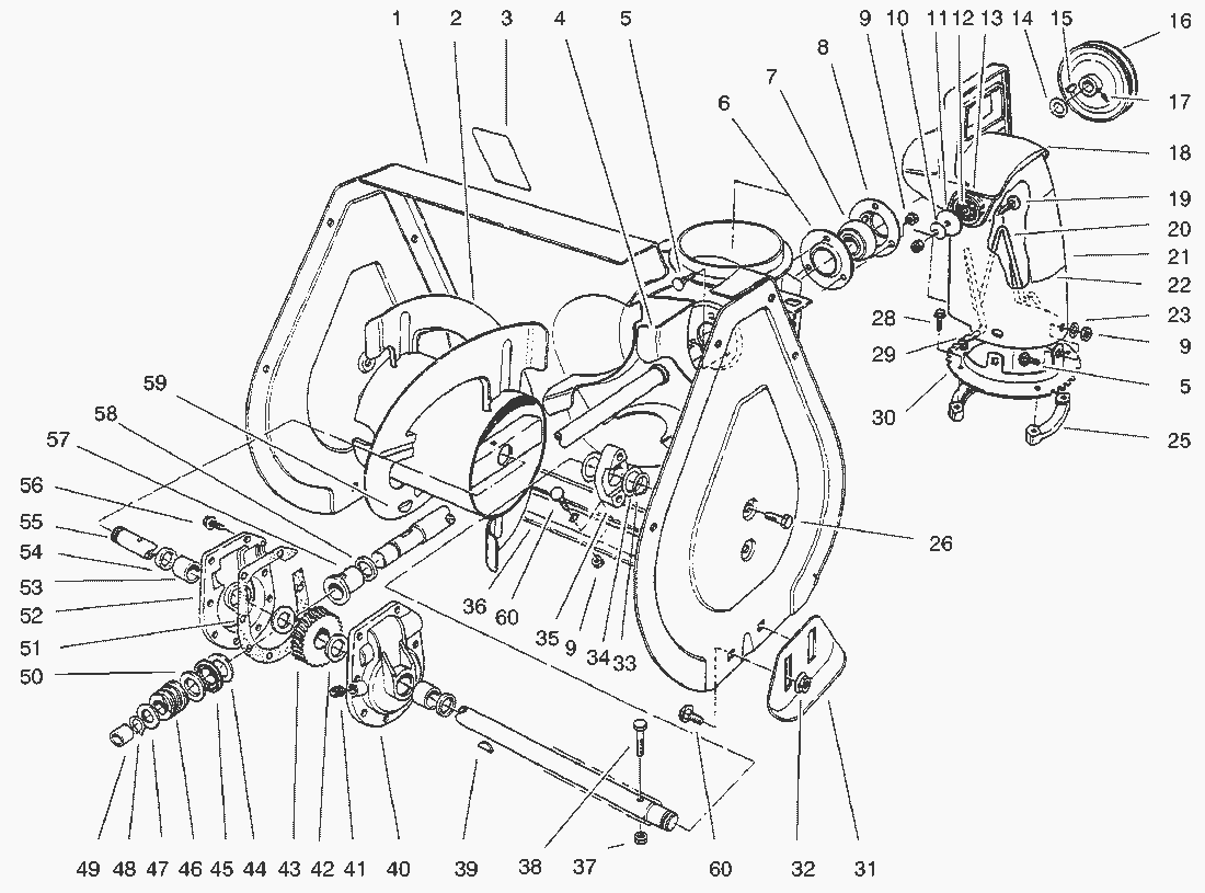
Pos.BezeichnungErsatzteilnummer
Auswurfkanal94-2792
22Deacl-Danger Chute Model 3854094-8079
Decal-Discharge Model 3805494-2558
23Scheibe3256-23
25Fuehrungsstueck37-6490
26Schraube32144-70
28Schraube27-0220
29Mutter3290-326
30Chute Ring37-8941
31Gleitkufe40-8160-01
32Mutter32128-20
33Sicherungsring32151-36
34Thrust Washer5-1550
35Lagergehaeuse37-6550
36Raeumschiene94-8892-01
37MUTTER3296-42
38Schraube321-10
39Keil3257-33
40Getriebegehaeuse14-2459
41Oelstopfen281-1
42Scheibe252-71
43Ritzel5-7180
44Scheibe257-3
45Lager252-76
46Schnecke5-7170
47Scheibe3-8664
48Retaining Ring32120-72
49Buechse256-32
50Scheibe252-80
51Dichtung51-0460
52Getriebegehaeuse14-2449
53Buechse256-237
54Simmerring7-0045
55Getriebewelle37-6801
56Schraube32144-41
57Buchse37-6560
58Dichtung237-87
59Keil3257-23
60Schraube3230-1
Schneckengetriebe37-6961
Lager Mit Deckel12-8789
Gebrauchsanweisungen
Toro
Impressum
(C) by motoruf