Zurück zu
>
Roth / TORO
>
Handgeräte
>
Schneefräsen
>
zweistufig
>
622
>
624/38063
>
8900001
>
Motor
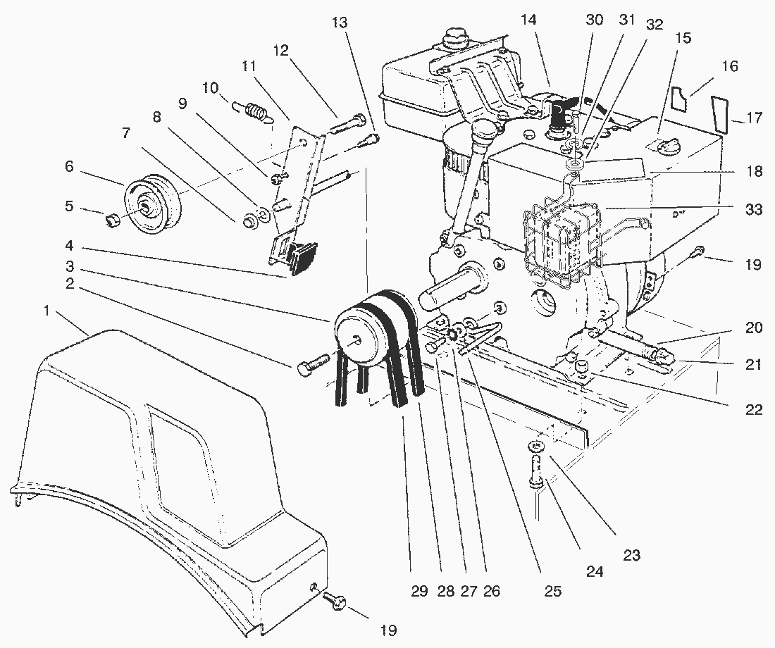
Ersatzteillisten für Toro Roth / TORO Motor
Pos.
Bezeichnung
Ersatzteilnummer
1
Belt Cover
37-6900
2
Schraube
43-7290
3
Riemenscheibe
74-1370
4
Bremsbelag
66-8060
5
Mutter
3296-59
6
Riemenscheibe
3-4244
7
Sicherungskappe
3290-320
8
Scheibe
3256-24
9
STOPMUTTER
3296-56
10
Feder
53-7570
11
Kupplungsarm
14-7959
12
Schraube
323-29
13
Bolzen
42-3560
14
15
Decal-Choke (Model No. 38513)
63-2430
16
Decal-Primer
94-2572
17
Decal-Throttle
63-2450
18
Decal-Hot Surface (Model No. 38510 Only)
66-6840
Klebeschild
94-2576
19
Schraube
32144-4
20
Pipe Nipple
289-9
21
Hutmutter
288-2
22
MUTTER
3296-29
23
Scheibe
3256-23
24
Schraube
322-4
25
Belt Retainer
37-8990
26
Federring
3255-8
27
Schraube
3210-3
28
Keilriemen
37-9090
29
Keiriemen
26-9672
30
Screw-Self Tapping
42-671
31
Washer-Lock
36-180
32
Washer-Flat
36-195-1
33
Guard-Muffler
127-19
Gebrauchsanweisungen
Toro
Roth / TORO
Aufsitzmäher
Handgeräte
Kehrmaschinen
Schneefräsen
Zubehör
zweistufig
1332 PowerShift
1232 PowerShift
1132 PowerShift
1132
1028 PowerShift
924 PowerShift
828 PowerShift
824 PowerShift
824 XL
824
724
624 PowerShift
622
624/38063
220000001
210000001
200000001
9900001
8900001
Elektrostarter Nr. 38-7590a (wahlw.)
Vergaser Nr. 640081
Starter Nr. 590742
Motor Tecumseh (Modell HSK60-76008C)
Holm rechts
Holm links
Antrieb (Fortsetzung)
Motor
Antrieb
Trommel
Trommel (Fortsetzung)
7900001
000000001
521
3521
einstufig
Sauger/Bläser
Rasenmäher
Robin
Impressum
(C) by motoruf