Zurück zu
>
Roth / TORO
>
Handgeräte
>
Rasenmäher
>
2-Takt
>
286/20911 B
>
1000001
>
Teilemotor (Modell-Nr. 47PL0-6)
Ersatzteillisten für Toro Roth / TORO Teilemotor (Modell-Nr. 47PL0-6)
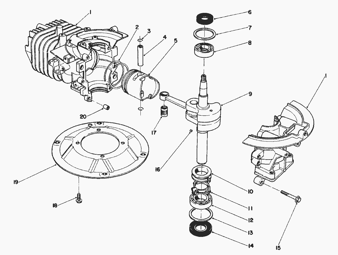
Pos.
Bezeichnung
Ersatzteilnummer
1
KURBELGEH. MIT ZYLINDER
81-2800
2
KOLBENRINGSATZ
81-0590
3
SICHERUNG
81-0620
4
KOLBENBOLZEN
81-0600
5
KOLBEN
81-0580
6
SIMMERRING
81-0720
7
SCHEIBE
81-0710
8
LAGER
81-0690
9
KURBELWELLE INNENGEWINDE
81-4600
10
REGLERRING
81-0770
11
REGLERHALTER
81-0750
12
LAGER
81-0700
13
SCHEIBE
81-0730
14
SIMMERRING
81-0740
15
SCHRAUBE
81-0540
16
STIFT
81-0760
17
PLEUELLAGER
81-0610
18
SCHRAUBE
81-0570
19
MOTORPLATTE
81-0560
20
STIFT
81-0520
2-TAKT-MOTOR OHNE TANK
12-7699
Gebrauchsanweisungen
Toro
Roth / TORO
Aufsitzmäher
Handgeräte
Kehrmaschinen
Schneefräsen
Sauger/Bläser
Rasenmäher
Grasfangvorrichtungen
4-Takt Radantrieb
4-Takt
2-Takt Radantrieb
2-Takt
286/20911 B
2000001
1000001
Auspuff (Modell-Nr. 47PL0-6)
Vergaser (Modell-Nr. 47PL0-6)
Regler (Modell-Nr. 47PL0-6)
Starter (Modell-Nr. 47PL0-6)
Zündung (Modell-Nr. 47PL0-6)
Teilemotor (Modell-Nr. 47PL0-6)
Fangkorb
Holm (geschoben)
Hinterachse (geschoben)
Motor (Modell-Nr. 20911B)
Gehäuse (Modell-Nr. 20911B)
286/20910
276
233
223
Elektro
Akku
Robin
Impressum
(C) by motoruf