Zurück zu
>
Roth / TORO
>
Handgeräte
>
Rasenmäher
>
2-Takt
>
286/20911 B
>
1000001
>
Gehäuse (Modell-Nr. 20911B)
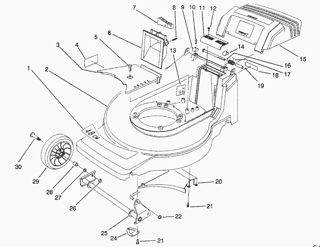
Ersatzteillisten für Toro Roth / TORO Gehäuse (Modell-Nr. 20911B)
Pos.
Bezeichnung
Ersatzteilnummer
1
Pvc-Klebeschild
71-8290
2
Housing-48cm
14-0049
3
Riemenabdeckung
71-7920
4
Decal-Danger
62-3860
5
Schraube
32144-70
6
GRIFFSCHALE
71-7870
7
Griff
71-7930
8
Spannstift
3284-5
9
Klemme
71-7910
10
Schraube
65-5210
11
GRIFFDECKEL
71-7860
12
SCHRAUBE
32144-97
13
Decal-Noise Rating
66-1700
14
Klemme
71-7900
15
Door-Discharge (Model No. 20910)
71-8241
16
Schraube
322-29
17
Spring-Door
71-8300
18
Klebeschild
66-0680
19
Buechse
71-8580
20
Ramp-Discharge
71-7990
21
Schraube
32144-4
22
SICHERUNGSKAPPE
32112-11
24
Sicherungsblech
71-8830
25
Vorderachse
71-7820
26
MUTTER
52-3620
27
Scheibe
40-1940
28
Buchse
27-6250
29
Rad
46-1113
30
Radbolzen
27-6230
Gebrauchsanweisungen
Toro
Roth / TORO
Aufsitzmäher
Handgeräte
Kehrmaschinen
Schneefräsen
Sauger/Bläser
Rasenmäher
Grasfangvorrichtungen
4-Takt Radantrieb
4-Takt
2-Takt Radantrieb
2-Takt
286/20911 B
2000001
1000001
Auspuff (Modell-Nr. 47PL0-6)
Vergaser (Modell-Nr. 47PL0-6)
Regler (Modell-Nr. 47PL0-6)
Starter (Modell-Nr. 47PL0-6)
Zündung (Modell-Nr. 47PL0-6)
Teilemotor (Modell-Nr. 47PL0-6)
Fangkorb
Holm (geschoben)
Hinterachse (geschoben)
Motor (Modell-Nr. 20911B)
Gehäuse (Modell-Nr. 20911B)
286/20910
276
233
223
Elektro
Akku
Robin
Impressum
(C) by motoruf