Zurück zu
motoruf
Warenkorb

Ersatzteillisten für Toro Roth / TORO Rotorgehäuse




Ersatzteilliste


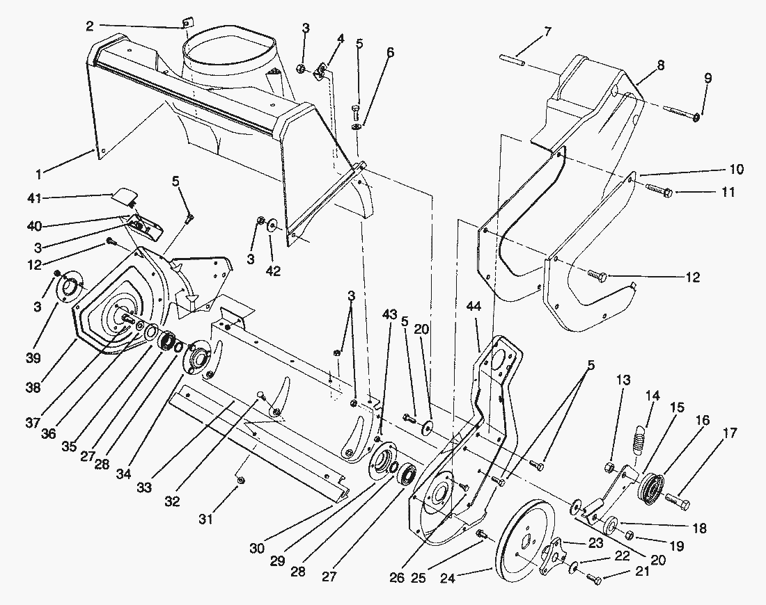
Pos.BezeichnungErsatzteilnummer
1Gehaeuse55-8700
2Blechmutter32115-14
3MUTTER3296-42
4Halter55-9430
5Schraube321-4
6scheibe3256-22
7Huelse57-3830
8Riemenabdeckung71-5030
9Schraube71-5350
10Guard-Drive Cover71-5150
11Schraube36-3860
12Schraube32105-15
13Mutter3296-39
14Bremsfeder71-5470
15Arm-Brake71-5160
16Riemenscheibe71-5260
17Screw-Cap Hex. Hd.323-44
18Washer-Spacer80-4620
19STOPMUTTER3296-56
20Scheibe3256-55
21Schraube321-30
22Tellerscheibe3290-456
23Nabe71-5070
24Riemenscheibe71-5410
25Schraube12-3270
26Schraube32105-8
27Kugellager38-7820
28Scheibe52-7280
29Lagerschale38-8620
30Schuerfleiste71-5390
31Hutmutter32128-10
32Schraube3229-11
33Housing-Lower71-4930
34Lagerdeckel52-9110
35Washer-Rubber52-7270
36Scheibe3256-24
37Screw-Cap Hex Flange3234-25
38Sideplate-R.H.71-4920
39Retainer-Bearing52-7290
40Bracket-Support71-5310
41Cover-Bracket71-5270
42Scheibe3256-67
43Mutter3296-2
44Sideplate-L.H.71-1911
Gebrauchsanweisungen
Toro
Impressum
(C) by motoruf