Zurück zu
>
Roth / TORO
>
Aufsitzmäher
>
Traktor
>
244-5
>
308/72060
>
3900001
>
Reglergestänge & Abdeckung
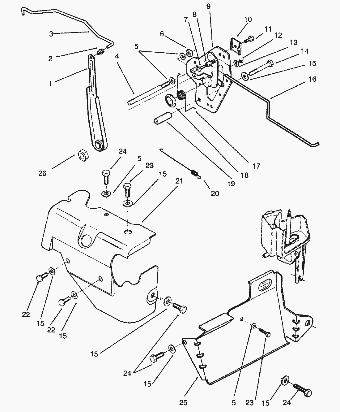
Ersatzteillisten für Toro Roth / TORO Reglergestänge & Abdeckung
Pos.
Bezeichnung
Ersatzteilnummer
1
Lever-Governor
92-5918
2
Sicherung
92-5920
3
Link-Throttle
92-5919
4
Stehbolzen 520-2212
NN10661
5
Scheibe
82-1340
6
Nut-Hex.
NN10663
7
Schraube 800-4072
NN10652
8
Gestaengefuehrg. 153-0632
NN10656
9
Grundplatte
NN10651
10
Klammer
NN10783
11
Screw-Thread Forming
NN10395
12
Splint
59-0720
13
Washer
NN10364
14
Schraube 315-0776
NN10817
15
Washer
82-1350
16
Link-Choke
92-5921
17
Feder 153-0621
NN10654
18
Ring-Retaining
NN10664
19
Scheibe 370-4057
NN10660
20
Spring-Governor
92-5917
21
Cover
NN10772
22
Screw-Hex. Hd.
92-5936
23
Screw-Cap Hex. Hd.
NN10725
24
Screw-Cap Hex. Hd.
NN10727
25
Deflector-Air
92-5894
26
Mutter
92-5872
Gebrauchsanweisungen
Toro
Roth / TORO
Aufsitzmäher
Traktor
264-6
246 HE
244-5
308/72060
3900001
Getriebeachse (Peerlesss Modell-Nr. 801-062)
Elektro-Schaltplan
Starter
Reglergestänge & Abdeckung
Vergaser und Kraftstoffpumpe
Luftfilter
Gebläsegehäuse & Zündung
Zylinderkopf & Ventile
Ölwanne & Pumpe
Kurbelwelle & Nockenwelle (Fortsetzung)
Kurbelwelle & Nockenwelle
Zylinderblock
Kotflügel & Sitz
Hinterrad & Getriebe
Bremse & Kupplung Pedal
Spannrolle & Pedalwelle
Aushubgestänge
Armaturenbrett
Lenkwelle & Anzeigen
Lenkrad & Konsole
Kraftstofftank & Lenkung Halter
Kupplung 92-1686
Batterie
Motor & Kupplung
Vorderachse
Hauptrahmen
Haube
212-H
212-5
17-44 HXLE
16-44 HXL
16-38 HXL
16-38 XLE
15-44 HXL
15-38 HXL
14-38 HXL
14-38 XL
13-38 HXL
13-38 XL
13-32 XLE
12-38 HXL
12-38 XL
12-32 XL
264 H
265 H
267 H
268 H
270 H
520 xi
520 Lxi
523 Dxi
Rider
Mähwerke
Zubehör
Handgeräte
Robin
Impressum
(C) by motoruf