Zurück zu
>
Roth / TORO
>
Handgeräte
>
Schneefräsen
>
zweistufig
>
1132 PowerShift
>
630/38565
>
8000001
>
Motor
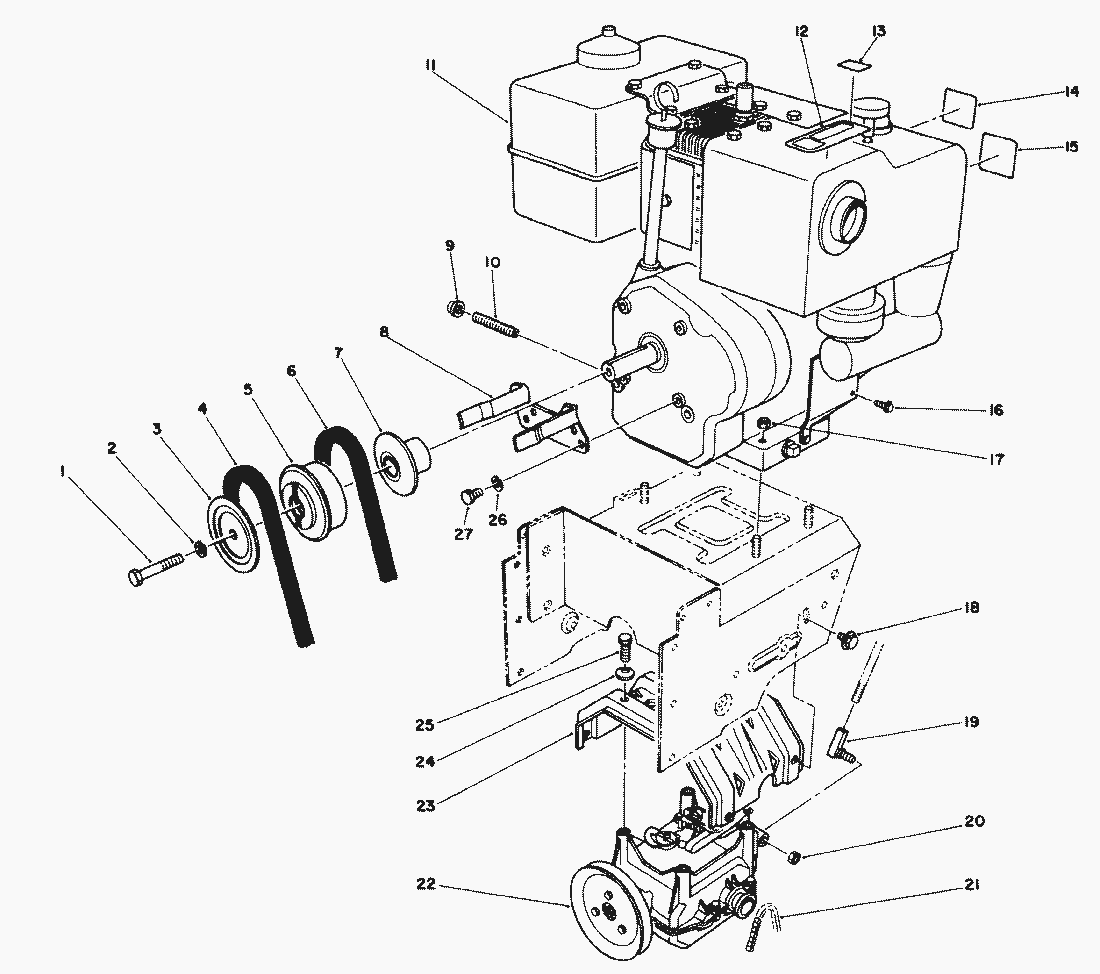
Ersatzteillisten für Toro Roth / TORO Motor
Pos.
Bezeichnung
Ersatzteilnummer
1
Schraube
3212-8
2
Federring
3253-6
3
Riemenscheiben-Haelfte
62-0940
4
Keilriemen
63-2964
5
Riemenscheibe
62-0930
6
Keilriemen
63-2953
7
Nabe
62-0920
8
Guide-Belt
63-2970
9
Oelablasschraube
288-4
10
Rohrverlaengerung
289-20
11
12
Decal-Hot Surface (Model No. 38500)
62-7290
Klebeschild
63-2310
13
Decal-Choke (Model No. 38580)
63-2360
Decal-Choke (Model No. 38565)
63-2460
14
Decal-Primer
63-2320
15
Decal-Throttle
63-2340
16
Schraube
2210-250
17
Mutter
32128-20
18
Schraube
3234-7
19
Kugelgelenk
63-2640
20
Stopmutter
3296-6
21
Kette
63-2930
22
Transmission Assembly
62-0190
23
Frame-Transmission
63-2990
24
Washer-Belleville
3290-461
25
Schraube
11-0590
26
Federring
3253-4
27
Schraube
3210-1
Gebrauchsanweisungen
Toro
Roth / TORO
Aufsitzmäher
Handgeräte
Kehrmaschinen
Schneefräsen
Zubehör
zweistufig
1332 PowerShift
1232 PowerShift
1132 PowerShift
630/38580
630/38566
630/38565
9000001
8000001
120V Elektrostarter Motor Nr. 396506 (wahlw.)
Motor B&S Modell-Nr. 252416 Typ 0749-01 (Modell 38565)
Motor B&S Modell-Nr. 252416 Typ 0755-01 (Modell 38580)
Holm
Antrieb Gestänge
Antrieb
Getriebe Nr. 62-0190 (Fortsetzung)
Getriebe Nr. 62-0190
Motor
32 Trommel Getriebegehäuse Nr. 62-0442 32 Auger Gearcase Assy. No. 62-0442
Gehäuse & Auswurf (Fortsetzung)
Gehäuse & Auswurf
1132
1028 PowerShift
924 PowerShift
828 PowerShift
824 PowerShift
824 XL
824
724
624 PowerShift
622
521
3521
einstufig
Sauger/Bläser
Rasenmäher
Robin
Impressum
(C) by motoruf