Zurück zu
>
Roth / TORO
>
Handgeräte
>
Schneefräsen
>
zweistufig
>
1132 PowerShift
>
630/38565
>
8000001
>
Antrieb
Ersatzteillisten für Toro Roth / TORO Antrieb
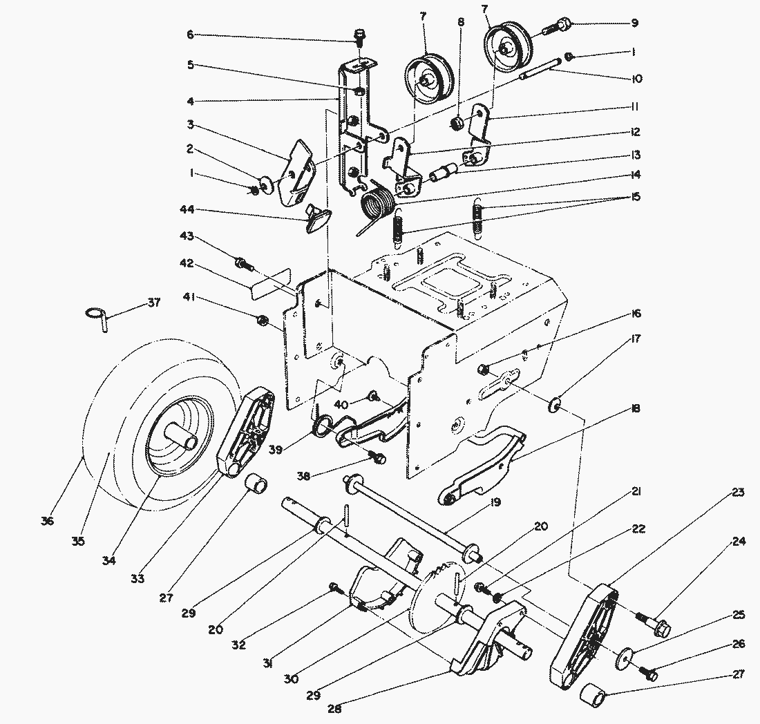
Pos.
Bezeichnung
Ersatzteilnummer
Pivot Arm Assembly L.H. (Incl. Ref.
62-0150
Wheel & Tire Assembly (Incl. Ref.
62-1090
Pivot Arm Assembly R.H. (Incl. Ref.
63-3150
Pos.
Bezeichnung
Ersatzteilnummer
1
Sicherung
32120-46
2
Scheibe
3290-477
3
Bremsarm
63-2820
4
Halter
63-2850
5
MUTTER
3296-42
6
Schraube
3234-13
7
Riemenscheibe
3-4244
8
Mutter
3296-59
9
Schraube
323-7
10
Stift
62-0970
11
Haltearm
62-1260
12
Hebel
62-1280
13
Buechse
62-1210
14
Feder
63-2881
15
Feder
63-2870
16
Mutter
3296-39
17
Washer-Belleville
3290-461
18
Latch-Arm
62-0470
19
Tube-Pivot
63-3440
20
Stift
32121-9
21
Schraube
32144-4
22
Washer-Plain
3256-1
24
Bolzen
62-1330
25
Washer
63-3360
26
Schraube
32144-41
27
Buechse
63-2250
28
Kettenschutz
62-1010
29
Scheibe
252-80
30
Radachse
63-2112
31
Kettenschutz
62-1000
32
Schraube
32104-118
34
Rim-Wheel
241-125
35
Schlauch
232-48
36
Reifen
231-123
37
Stift
3290-243
38
Schraube
5-2490
39
Feder
63-2740
40
Verbinder
3290-476
41
Mutter
3296-47
42
Decal-Adjustment (Model No. 38500)
63-3460
Schild
63-3470
43
Schraube
3234-7
44
Brake Pad-Molded
40-8140
Gebrauchsanweisungen
Toro
Roth / TORO
Aufsitzmäher
Handgeräte
Kehrmaschinen
Schneefräsen
Zubehör
zweistufig
1332 PowerShift
1232 PowerShift
1132 PowerShift
630/38580
630/38566
630/38565
9000001
8000001
120V Elektrostarter Motor Nr. 396506 (wahlw.)
Motor B&S Modell-Nr. 252416 Typ 0749-01 (Modell 38565)
Motor B&S Modell-Nr. 252416 Typ 0755-01 (Modell 38580)
Holm
Antrieb Gestänge
Antrieb
Getriebe Nr. 62-0190 (Fortsetzung)
Getriebe Nr. 62-0190
Motor
32 Trommel Getriebegehäuse Nr. 62-0442 32 Auger Gearcase Assy. No. 62-0442
Gehäuse & Auswurf (Fortsetzung)
Gehäuse & Auswurf
1132
1028 PowerShift
924 PowerShift
828 PowerShift
824 PowerShift
824 XL
824
724
624 PowerShift
622
521
3521
einstufig
Sauger/Bläser
Rasenmäher
Robin
Impressum
(C) by motoruf