Zurück zu
>
Roth / TORO
>
Aufsitzmäher
>
Traktor
>
264-6
>
501/72062
>
4900001
>
Getriebewelle
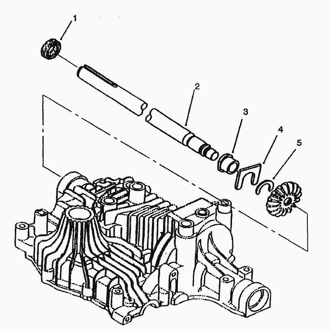
Ersatzteillisten für Toro Roth / TORO Getriebewelle
Pos.
Bezeichnung
Ersatzteilnummer
1
Simmerring
93-0451
2
Shaft-Axle Right (Only On: 72083, 72043, 72103, 72063)
93-0452
3
Buechse
93-0454
4
Lagerscheibe
93-0455
5
Seegerring
93-0456
Shaft-Axle Left (Only On: 72083, 72043, 72103, 72063)
93-0453
Gebrauchsanweisungen
Toro
Roth / TORO
Aufsitzmäher
Traktor
264-6
501/72062
4900001
Kopf, Ventil, Entlüftung
Auspuff
Lufteinlaß/Filter
Motor Betätigungen
Kraftstoffsystem
Starteinrichtung
Gebläsegehäuse & Leitbleche
Zündung, Elektrik
Zylinderkopf, Ventil, Entlüftung
Ölwanne, Schmierung
Kurbelgehäuse
Kurbelwelle
Kupplung & Bremsgetriebe
Hinterrad
Rahmen
Aushubhebel & Schnitthöhe
Haubenhalter & Hitzeschutz
Kotflügel & Fußauflage
Kraftstofftank & Hydrauliktank
Sitz
Vorderachse
untere Lenkung
Lenkrad mit Verstellung
Armaturenbrett
Haube mit Grill
Hydraulik Antrieb
Gear Antrieb
Zweizylinder Motor, Auspuff, und Zapfwelle
Einzylinder Motor, Auspuff, und Zapfwelle
Kupplung 92-6885
Batterie
Hydraulikbremse
Hydraulikbetätigung
Hydraulik-Getriebeachse
Getriebeachse
Getriebe-Schaltgestänge
Getriebeachse Peerless 820-024
Getriebeachs-Gehäuse
Mittleres Gehäuse
Pumpenwelle
Motorwelle
Wählhebel
Bypass
Dämpfer
Neutralzentrierung
Bremssicherung
Differentialgetriebe
Ritzel
Getriebewelle
Bremse
5900001
5900228
6900001
246 HE
244-5
212-H
212-5
17-44 HXLE
16-44 HXL
16-38 HXL
16-38 XLE
15-44 HXL
15-38 HXL
14-38 HXL
14-38 XL
13-38 HXL
13-38 XL
13-32 XLE
12-38 HXL
12-38 XL
12-32 XL
264 H
265 H
267 H
268 H
270 H
520 xi
520 Lxi
523 Dxi
Rider
Mähwerke
Zubehör
Handgeräte
Robin
Impressum
(C) by motoruf