Zurück zu
motoruf
Warenkorb

Ersatzteillisten für Toro Roth / TORO 38 Mähwerk; Messer, Antrieb und Bremse 38in Deck Blade Drive and Brake Assy.




Ersatzteilliste


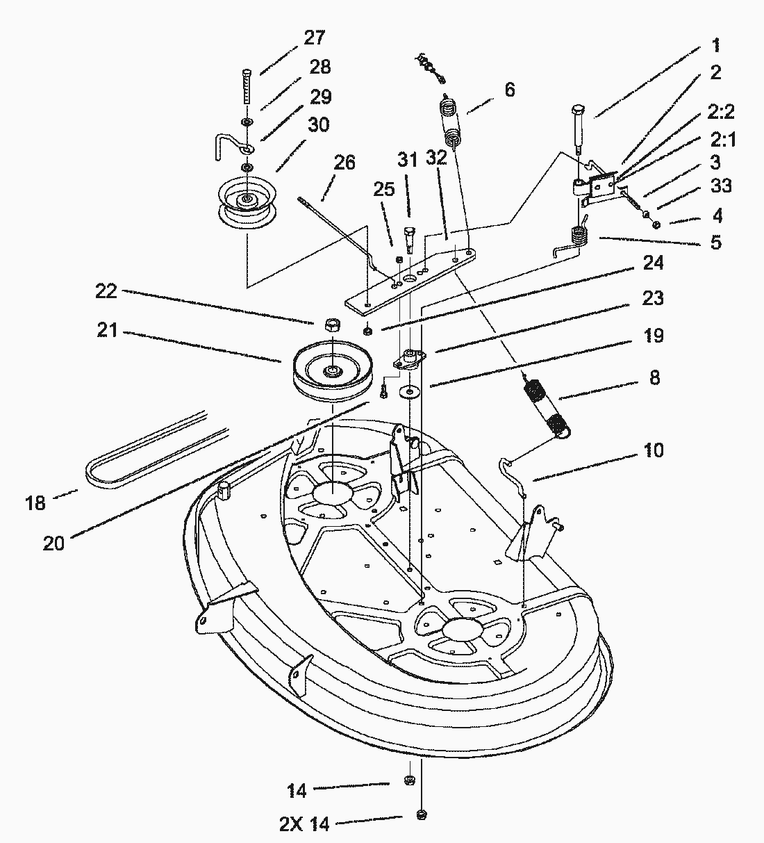
Pos.BezeichnungErsatzteilnummer
1Bolt-Shoulder88-4590
2Brake-Deck (Incl. Ref.88-6100
21Niete3290-282
22Pad-Brake56-9830
3Rod-Deck Brake L.H.88-5550
4MUTTER3296-42
5Spring-Torsion88-5910
6Spring-Deck Engage88-6130
8Zugfeder92-8934
10Hook-Spring Return88-5970
14Mutter3296-58
18V-Belt-Deck88-6250
19Scheibe3256-68
20Schraube322-5
21Pulley-Deck88-5330
22Mutter3219-6
23Bushing-Idler Arm88-4980
24Mutter3296-39
25MUTTER3296-29
26Rod-Deck Brake R.H.88-5540
27Schraube323-12
28Scheibe3256-24
29Guide-Idler Belt88-5070
30Pulley-Idler88-5630
31Bolt-Shoulder7-0030
32Spannarm88-4870-03
33Ball-Swivel67-0710
Gebrauchsanweisungen
Toro
Impressum
(C) by motoruf