Kawasaki Motoren FD711D-AS00 - Kawasaki FD711D 4-Stroke Engine CARBURETOR Ersatzteile
CARBURETOR FD711D-AS00 - Kawasaki FD711D 4-Stroke Engine

Hier finden Sie die Ersatzteilzeichnung für Kawasaki Motoren Motoren, Horizontal FD711D-AS00 - Kawasaki FD711D 4-Stroke Engine CARBURETOR. Wählen Sie das benötigte Ersatzteil aus der Ersatzteilliste Ihres Kawasaki Motoren Gerätes aus und bestellen Sie einfach online. Viele Kawasaki Motoren Ersatzteile halten wir ständig in unserem Lager für Sie bereit.
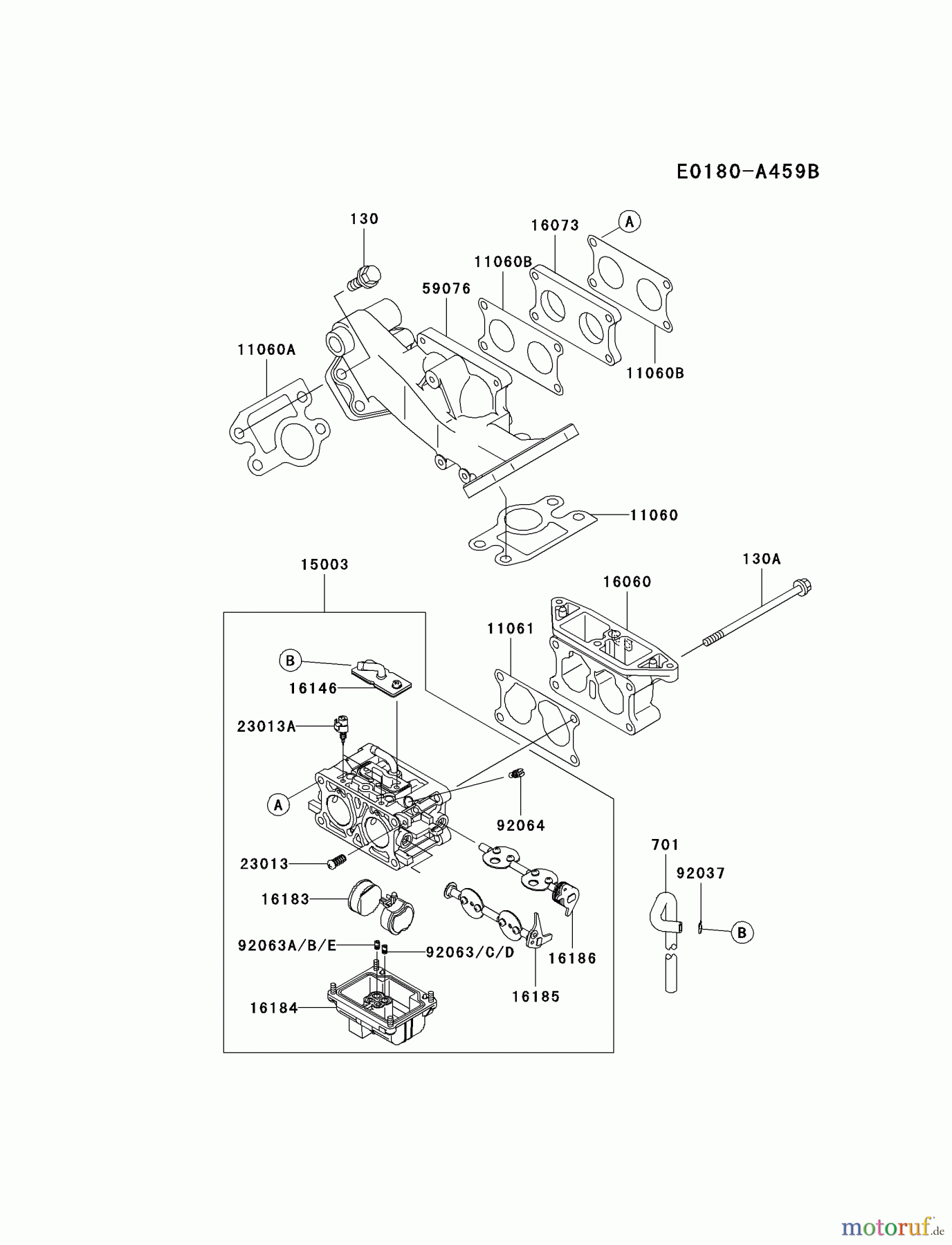
| BildNr | Artikel Nummer | Bezeichnung | |
| 92064 | KA920642106 | JET-PILOT | |
| 130 | KA130BA0825 | BOLT-FLANGED | |
| 130A | KA130CA06110 | BOLT-FLANGED | |
| 701 | KA701Q061000 | TUBE-PVC | |
| 11060 | KA110602468 | GASKET,INTAKE MANIFOL | |
| 11060A | KA110602469 | GASKET,INTAKE MANIFOL | |
| 11060B | KA110602471 | GASKET,INTATE PIPE | |
| 11061 | KA110612075 | GASKET | |
| 15003 | KA150032815 | CARBURETOR-ASSY | |
| 16060 | KA160602194 | PIPE-INTAKE | |
| 16073 | KA160732206 | INSULATOR | |
| 16146 | KA161462227 | COVER-ASSY | |
| 16183 | KA161832006 | FLOAT-ASSY | |
| 16184 | KA161842007 | CHAMBER-ASSY-FLOAT | |
| 16185 | KA161852041 | VALVE-ASSY-THROTTLE | |
| 16186 | KA161862036 | VALVE-ASSY-CHOKE | |
| 23013 | KA230132059 | SCREW-ASSY | |
| 23013A | KA230132063 | SCREW-ASSY | |
| 59076 | KA590762065 | MANIFOLD-INTAKE | |
| 92037 | KA920371610 | CLAMP | |
| 92063 | KA920632353 | JET-MAIN,#110 | |
| 92063A | KA920632370 | JET-MAIN,#111.3 | |
| 92063B | KA920632380 | JET-MAIN,#106.3 | |
| 92063C | KA920632410 | JET-MAIN,#105 | |
| 92063D | KA920632420 | JET-MAIN,#107.5 | |
| 92063E | KA920632421 | JET-MAIN,#108.8 | |



