Viking Aufsitzmäher MT 795 Ersatzteile
MT 795 Aufsitzmäher
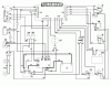
Hier finden Sie die Ersatzteilzeichnung für Viking Aufsitzmäher Aufsitzmäher MT 795. Wählen Sie das benötigte Ersatzteil aus der Ersatzteilliste Ihres Viking Gerätes aus und bestellen Sie einfach online. Viele Viking Ersatzteile halten wir ständig in unserem Lager für Sie bereit.
Häufig benötigte Viking Aufsitzmäher MT 795 Ersatzteile

Artikelnummer: 9456 621 3860
Suche nach: 9456 621 3860
Hersteller: Stihl
Viking Ersatzteil H - Mähwerk - 1
Suche nach: 9456 621 3860
Hersteller: Stihl
Viking Ersatzteil H - Mähwerk - 1
2.40 €
für EU incl. MwSt., zzgl. Versand

Artikelnummer: 6126 350 0500
Suche nach: 6126 350 0500
Hersteller: Stihl
Viking Ersatzteil B - Verkleidung
Suche nach: 6126 350 0500
Hersteller: Stihl
Viking Ersatzteil B - Verkleidung
11.13 €
für EU incl. MwSt., zzgl. Versand

Artikelnummer: 9007 319 9009
Suche nach: 9007 319 9009
Hersteller: Stihl
Viking Ersatzteil I - Mähwerk - 2
Suche nach: 9007 319 9009
Hersteller: Stihl
Viking Ersatzteil I - Mähwerk - 2
6.79 €
für EU incl. MwSt., zzgl. Versand

Artikelnummer: 9455 621 1520
Suche nach: 9455 621 1520
Hersteller: Stihl
Viking Ersatzteil H - Mähwerk - 1
Suche nach: 9455 621 1520
Hersteller: Stihl
Viking Ersatzteil H - Mähwerk - 1
1.80 €
für EU incl. MwSt., zzgl. Versand

Artikelnummer: 9007 319 9010
Suche nach: 9007 319 9010
Hersteller: Stihl
Viking Ersatzteil I - Mähwerk - 2
Suche nach: 9007 319 9010
Hersteller: Stihl
Viking Ersatzteil I - Mähwerk - 2
10.35 €
für EU incl. MwSt., zzgl. Versand


Qualitätsmanagement
Informieren Sie uns, wenn Sie einen Fehler gefunden haben.


















