Rotaro ROTARO 48 188-0156 (1988) Ersatzteile
188-0156 (1988) ROTARO 48

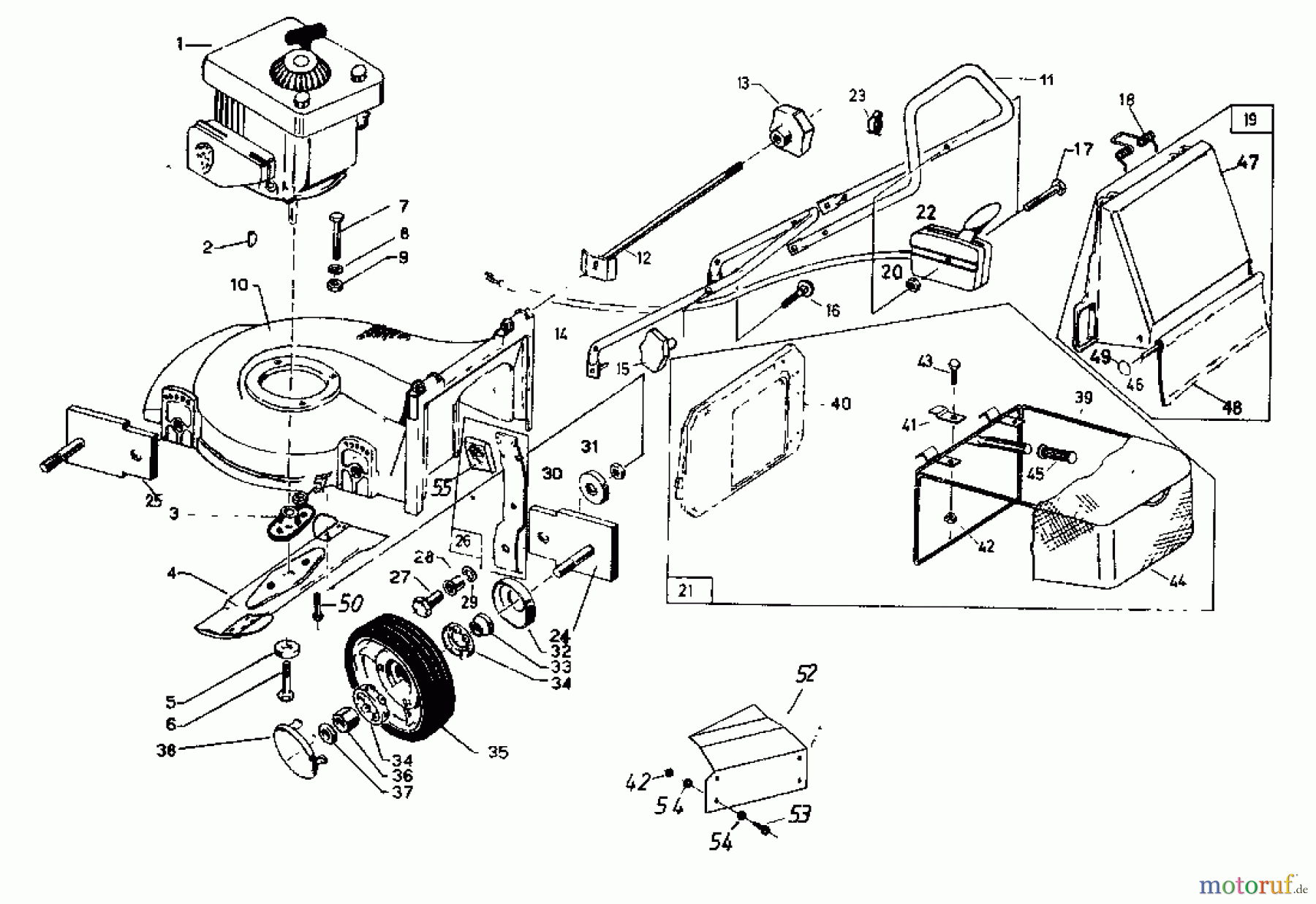
Hier finden Sie die Ersatzteilzeichnung für Rotaro Motormäher ROTARO 48 188-0156 (1988) Grundgerät. Wählen Sie das benötigte Ersatzteil aus der Ersatzteilliste Ihres Rotaro Gerätes aus und bestellen Sie einfach online. Viele Rotaro Ersatzteile halten wir ständig in unserem Lager für Sie bereit.



