Cub Cadet CC 1527 13A-241G603 (2003) Fahrantrieb Ersatzteile
Fahrantrieb 13A-241G603 (2003)

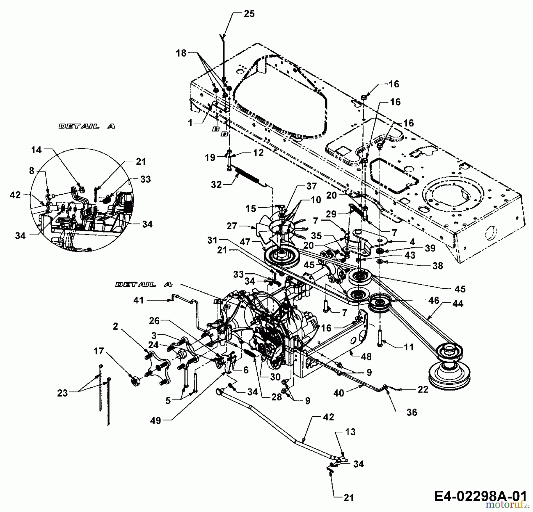
Hier finden Sie die Ersatzteilzeichnung für Cub Cadet Rasentraktoren CC 1527 13A-241G603 (2003) Fahrantrieb. Wählen Sie das benötigte Ersatzteil aus der Ersatzteilliste Ihres Cub Cadet Gerätes aus und bestellen Sie einfach online. Viele Cub Cadet Ersatzteile halten wir ständig in unserem Lager für Sie bereit.




















