Einkaufswagen
Mein Konto

Cub Cadet TWT 550 00026.07 (1997) Getriebe Ersatzteile

Getriebe 00026.07 (1997)

 Cub Cadet Einachser TWT 550 00026.07  (1997) Getriebe

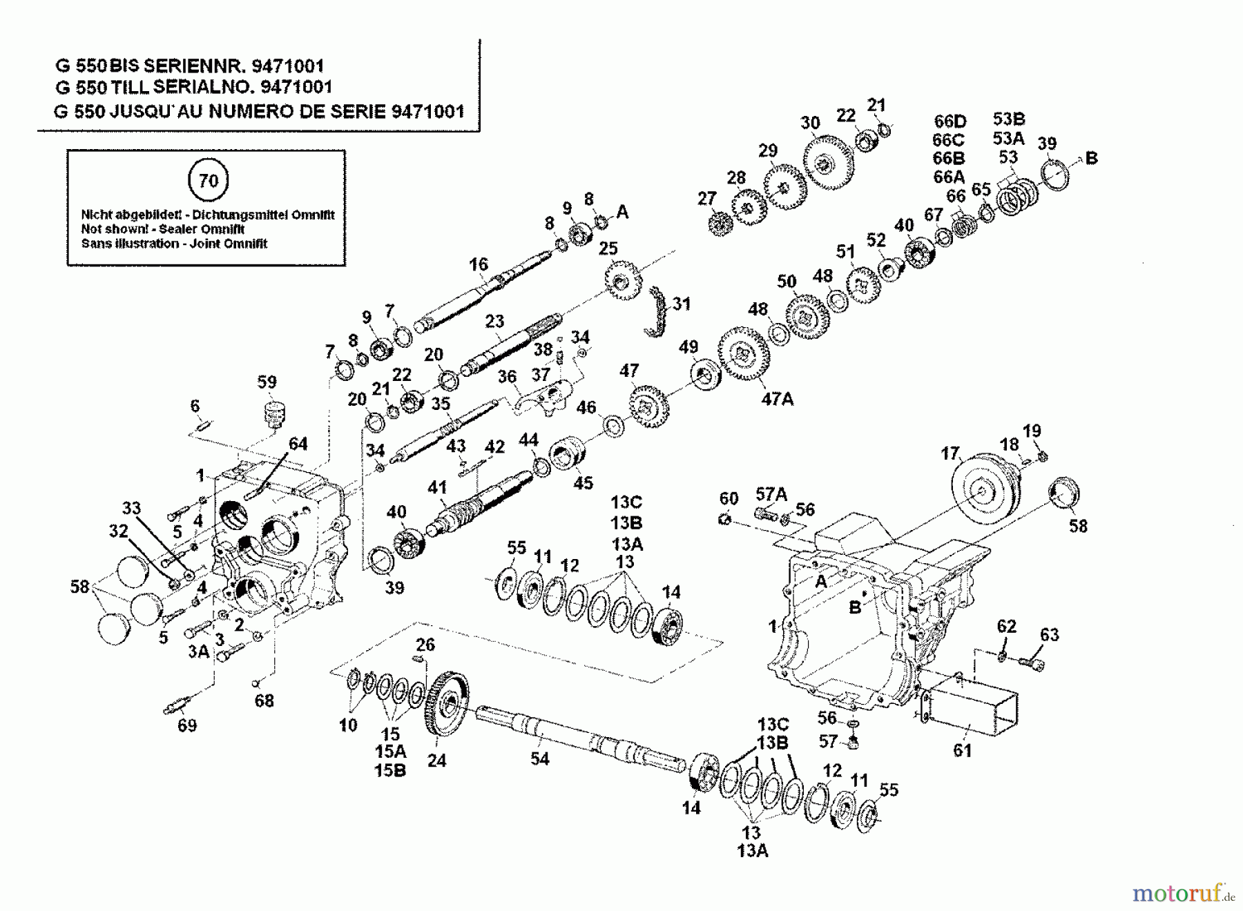
Hier finden Sie die Ersatzteilzeichnung für Cub Cadet Einachser TWT 550 00026.07 (1997) Getriebe. Wählen Sie das benötigte Ersatzteil aus der Ersatzteilliste Ihres Cub Cadet Gerätes aus und bestellen Sie einfach online. Viele Cub Cadet Ersatzteile halten wir ständig in unserem Lager für Sie bereit.

BildNrArtikel NummerBezeichnung
1 071.19.856GETRIEBEGEHAEUSE VOLLST.
2 24.8195.56SPERRKANTRING AEHNL. DIN 127
3 21.1443.77SECHSKANTSCHRAUBE DIN 931
3A 21.5441.49ZYLINDER-SCHR.M.INNEN6DIN 912
4 24.8195.54SPERRKANTRING AEHNL. DIN 127
5 21.1443.54SECHSKANTSCHRAUBE DIN 931
6 25.3222.25ZYLINDERSTIFT DIN 7
7 24.8653.18SICHERUNGSRING DIN 472
8 28.3591.20SICHERUNGSRING:20x1,2 DIN 471
9 26.1100.04RILLENKUGELLAGER DIN 625
10 24.8170.13SICHERUNGSRING DIN 471
11 28.1156.27RADIAL-WELLENDICHTRINGDIN 3760
12 24.8653.26SICHERUNGSRING DIN 472
13 24.6272.10PASS UND STUETZSCHEIBEDIN 988
13A 24.6272.11PASS UND STUETZSCHEIBEDIN 988
13B 24.6272.12PASS UND STUETZSCHEIBEDIN 988
13C 24.6272.13PASS UND STUETZSCHEIBEDIN 988
14 26.1020.06RILLENKUGELLAGER DIN 625
15 24.6271.53PASS UND STUETZSCHEIBEDIN 988
15A 24.6271.54PASS UND STUETZSCHEIBEDIN 988
15B 24.6271.55PASS UND STUETZSCHEIBEDIN 988
16 071.19.155EINGANGSWELLE
17 071.19.141KEILRIEMENSCHEIBE
18 25.5231.63PASSFEDER (NIEDRIGE FODIN 6885
19 28.3591.15SICHERUNGSRING DIN 471
20 24.8653.18SICHERUNGSRING DIN 472
21 28.3591.20SICHERUNGSRING:20x1,2 DIN 471
22 26.1100.04RILLENKUGELLAGER DIN 625
23 071.19.156ZWISCHENWELLE
24 071.19.150SCHNECKENRAD E-TEIL-SET
25 071.19.157KETTENRAD Z=13
26 25.5232.05PASSFEDER DIN 6885
27 071.19.122ZAHNRAD
28 071.19.121ZAHNRAD
29 071.19.159ZAHNRAD Z=34
30 071.19.119ZAHNRAD
31 000.75.937ROLLENKETTE
32 24.1426.18SICHERUNGSMUTTER DIN 985-8
33 24.6481.18SCHEIBE DIN 125
34 000.25.267O-RING 9X1,5
35 071.19.118SCHALTWELLE
36 071.19.135SCHALTGABEL
37 000.30.309DRUCKFEDER D 0,9 DIN 2076 A-C
38 26.9611.23KUGEL DIN 5401
39 24.8653.20SICHERUNGSRING (SCHW.ADIN 472
40 26.1025.04SCHRAEGKUGELLAGER DIN 628
41 071.19.151SCHNECKENWELLE 2-GAENGIG-LINKS
42 071.19.139ZIEHKEIL 71MM
43 071.19.154MITNEHMER
44 28.3591.32SICHERUNGSRING DIN 471
45 071.19.124SCHALTRING
46 24.6279.23STUETZSCHEIBE S28X40DIN 988
47 071.19.158SCHALTKETTENRAD Z=22
47A 071.19.138SCHALTRAD
48 071.19.074FUEHRUNGSSCHEIBE
49 071.19.123ZWISCHENRING
50 071.19.137SCHALTRAD
51 071.19.160SCHALTRAD Z=22
52 071.19.132ANLAUFBUECHSE
53 24.6271.75PASS UND STUETZSCHEIBEDIN 988
53A 24.6271.73PASS UND STUETZSCHEIBEDIN 988
53B 24.6271.72PASS UND STUETZSCHEIBEDIN 988
54 071.19.161RADACHSE
55 071.19.165ABWEISER
56 28.5871.21DICHTRING DIN 7603
57 000.04.307VERSCHLUßSCHRAUBE M. MAGNET
57A 21.1445.11SECHSKANTSCHRAUBE DIN 961
58 000.25.270VERSCHLUSSKAPPE VK 47X7
59 000.04.303ENTLUEFTUNGSSCHRAUBE
60 24.7477.27VERSCHLUSSDECKEL DIN 443
61 071.29.024ACHSMANSCHETTE
62 24.8195.56SPERRKANTRING AEHNL. DIN 127
63 21.5441.41ZYLINDER-SCHR.M.INNEN6DIN 912
64 25.3222.25ZYLINDERSTIFT DIN 7
65 28.3591.20SICHERUNGSRING:20x1,2 DIN 471
66 24.6271.20PASS UND STUETZSCHEIBEDIN 988
66A 24.6271.11PASS UND STUETZSCHEIBEDIN 988
66B 24.6271.12PASS UND STUETZSCHEIBEDIN 988
66C 24.6278.44PASS UND STUETZSCHEIBEDIN 988
66D 24.6278.45PASS UND STUETZSCHEIBEDIN 988
67 24.6279.23STUETZSCHEIBE S28X40DIN 988
68 000.34.052VERSCHLUSZSTOPFEN
69 071.19.166ZAPFEN
70 W00530.205OMNIFIT DICHTUNGSMITTEL FD10
Rasen
Bankeinzug, MasterCard, Visa, American Express, PayPal, Nachnahme, Vorauskasse, Sofortüberweisung
Qualitätsmanagement
Informieren Sie uns, wenn Sie einen Fehler gefunden haben.