Golf 133 VE 02826.07 (1996) Ersatzteile
02826.07 (1996) 133 VE

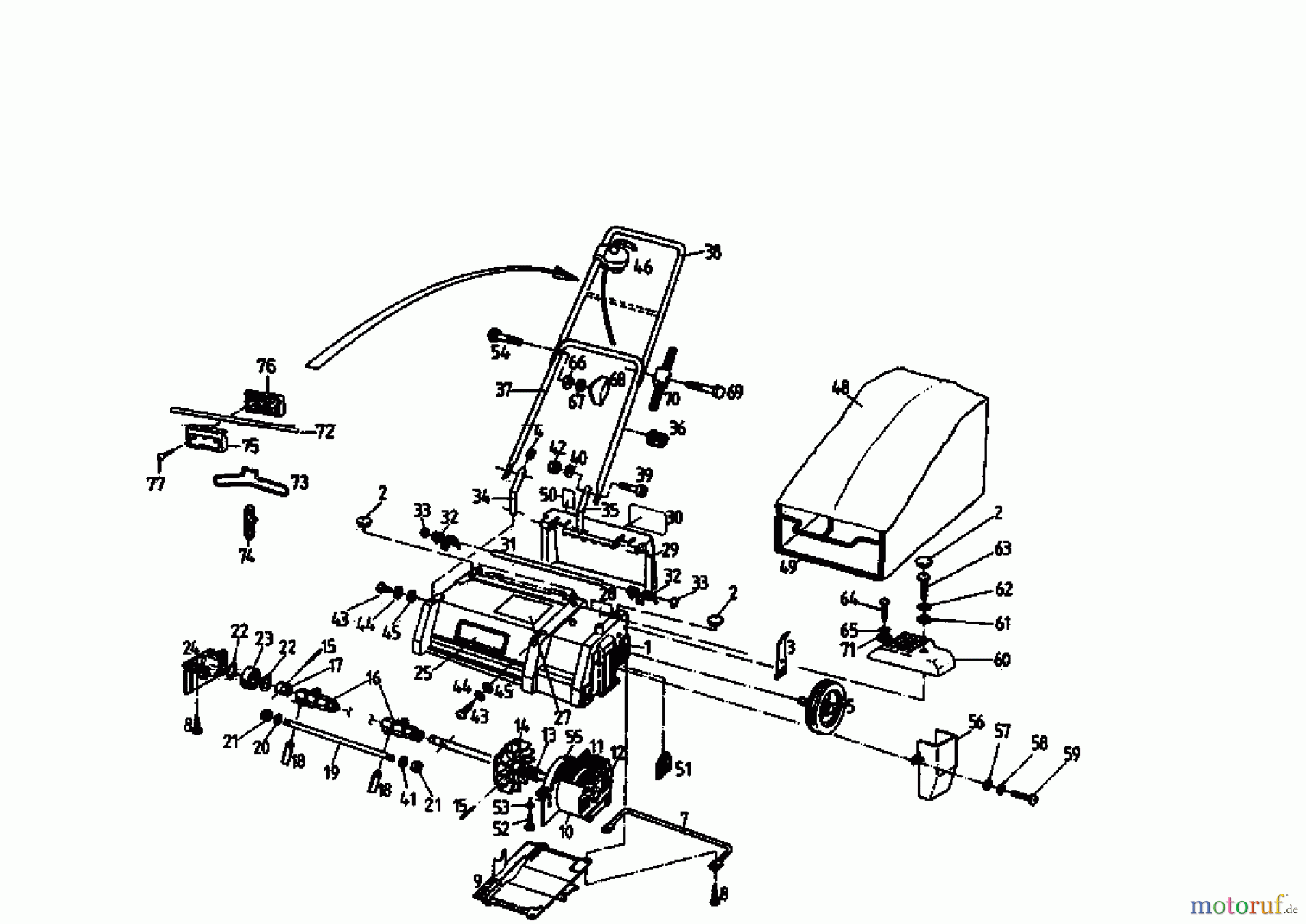
Hier finden Sie die Ersatzteilzeichnung für Golf Elektrovertikutierer 133 VE 02826.07 (1996) Grundgerät. Wählen Sie das benötigte Ersatzteil aus der Ersatzteilliste Ihres Golf Gerätes aus und bestellen Sie einfach online. Viele Golf Ersatzteile halten wir ständig in unserem Lager für Sie bereit.


Qualitätsmanagement
Informieren Sie uns, wenn Sie einen Fehler gefunden haben.


