Golf Junior 02819.09 (1997) Ersatzteile
02819.09 (1997) Junior

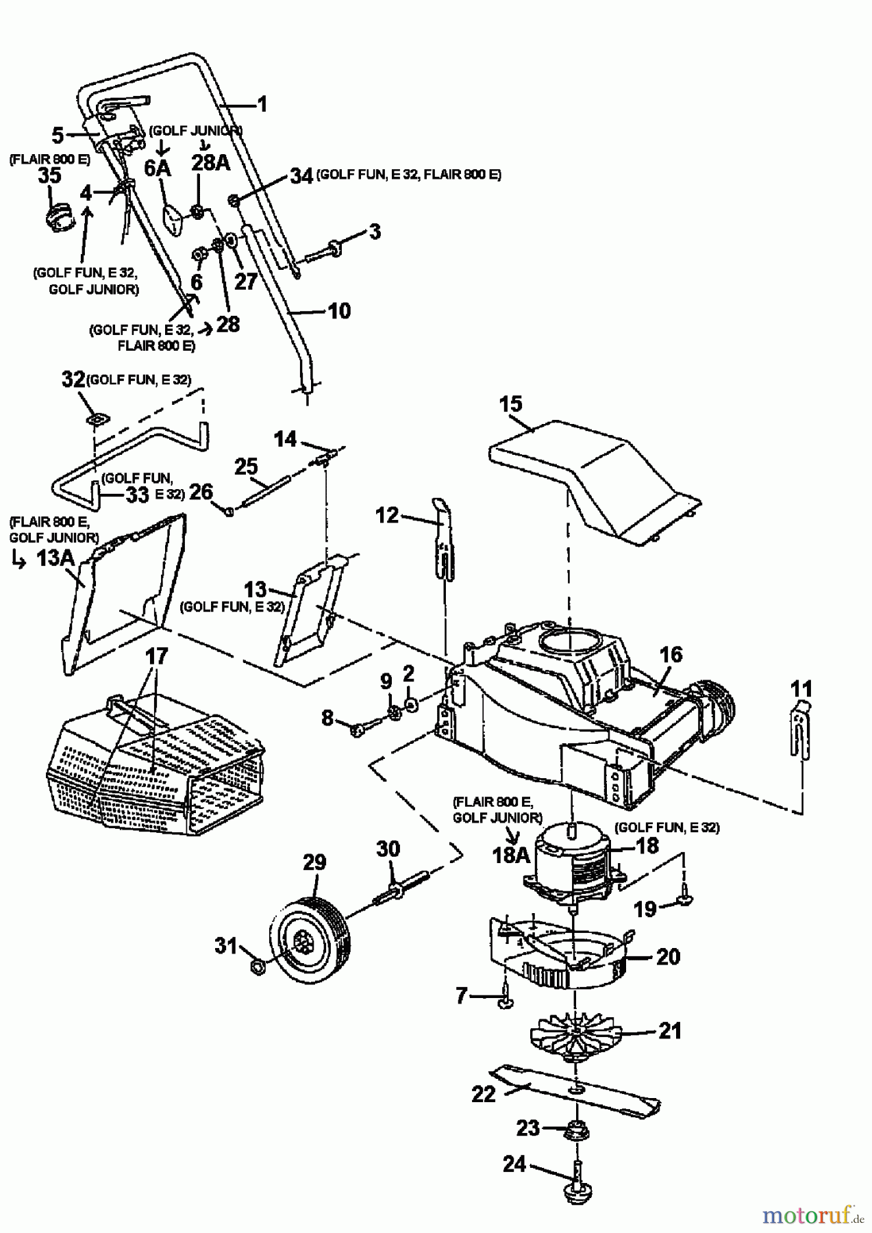
Hier finden Sie die Ersatzteilzeichnung für Golf Elektromäher Junior 02819.09 (1997) Grundgerät. Wählen Sie das benötigte Ersatzteil aus der Ersatzteilliste Ihres Golf Gerätes aus und bestellen Sie einfach online. Viele Golf Ersatzteile halten wir ständig in unserem Lager für Sie bereit.





