Golf Darling 900 04027.02 (1995) Ersatzteile
04027.02 (1995) Darling 900

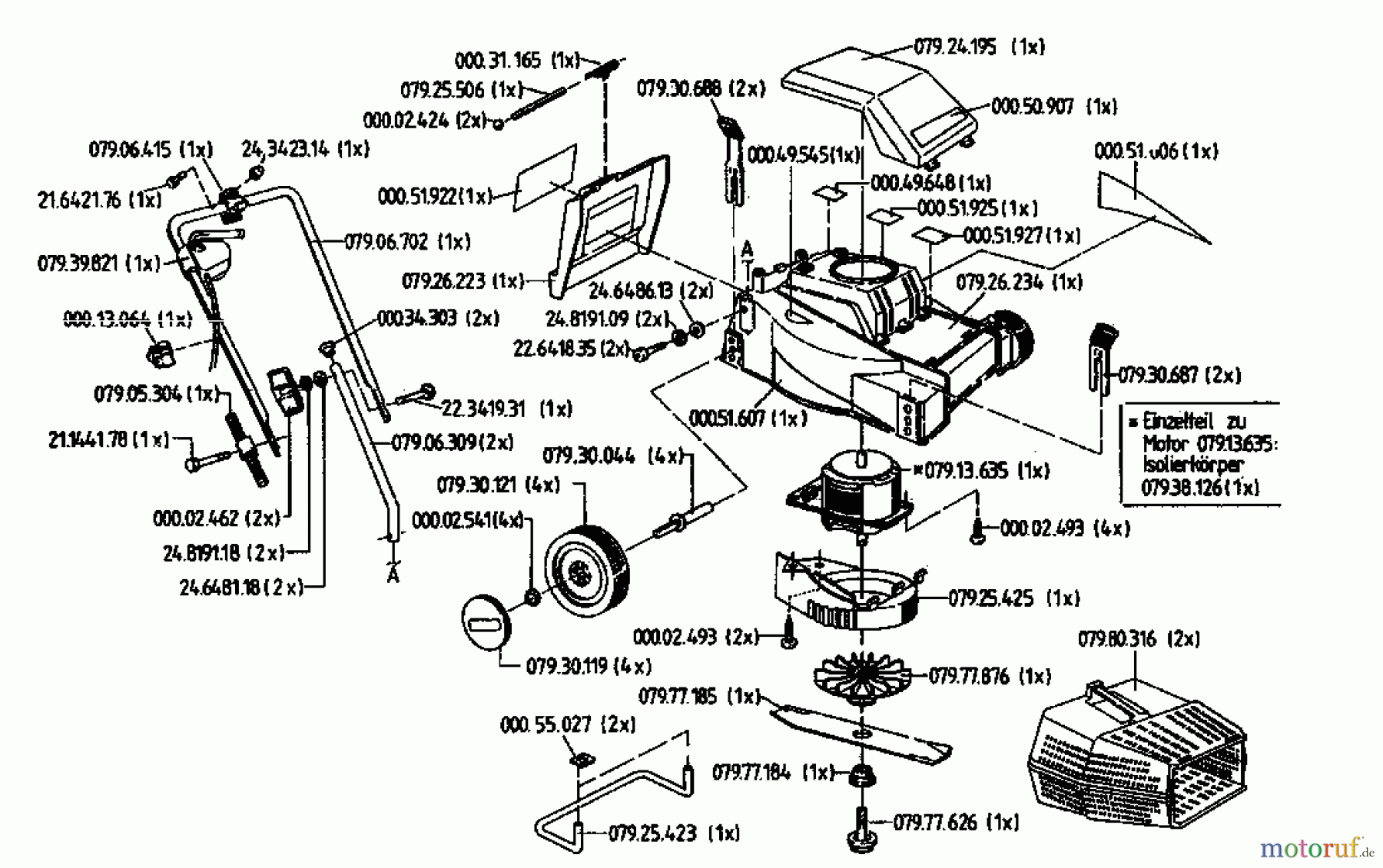
Hier finden Sie die Ersatzteilzeichnung für Golf Elektromäher Darling 900 04027.02 (1995) Grundgerät. Wählen Sie das benötigte Ersatzteil aus der Ersatzteilliste Ihres Golf Gerätes aus und bestellen Sie einfach online. Viele Golf Ersatzteile halten wir ständig in unserem Lager für Sie bereit.





