Golf 245 EF 02881.02 (1985) Ersatzteile
02881.02 (1985) 245 EF

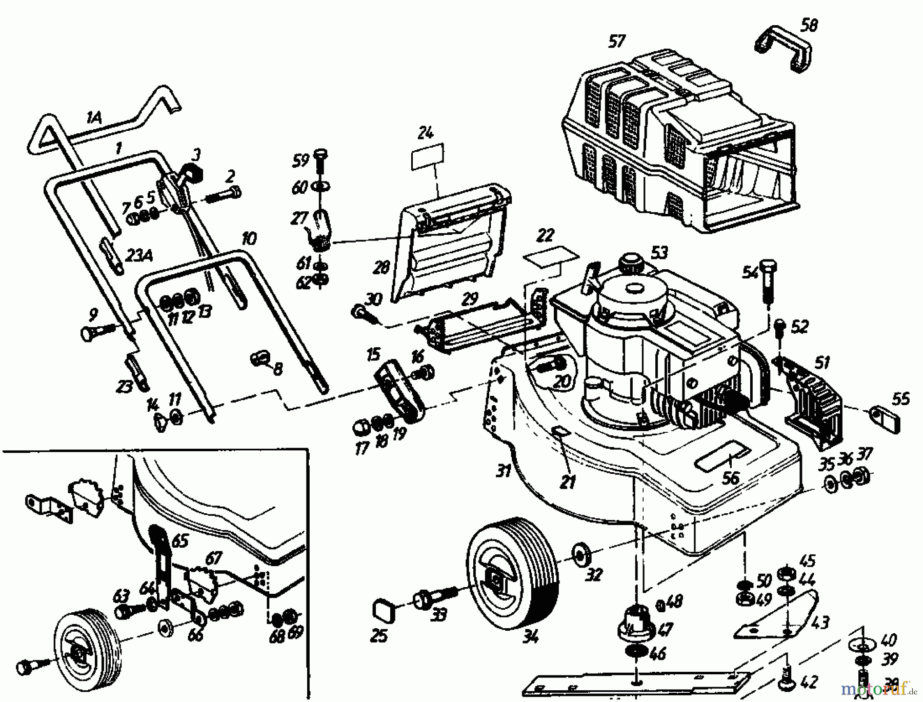
Hier finden Sie die Ersatzteilzeichnung für Golf Elektromäher 245 EF 02881.02 (1985) Grundgerät. Wählen Sie das benötigte Ersatzteil aus der Ersatzteilliste Ihres Golf Gerätes aus und bestellen Sie einfach online. Viele Golf Ersatzteile halten wir ständig in unserem Lager für Sie bereit.




