Yard-Man E 753 F 31AE753F643 (1999) Armaturenbrett, Auswurfschacht, Holm Ersatzteile
Armaturenbrett, Auswurfschacht, Holm 31AE753F643 (1999)

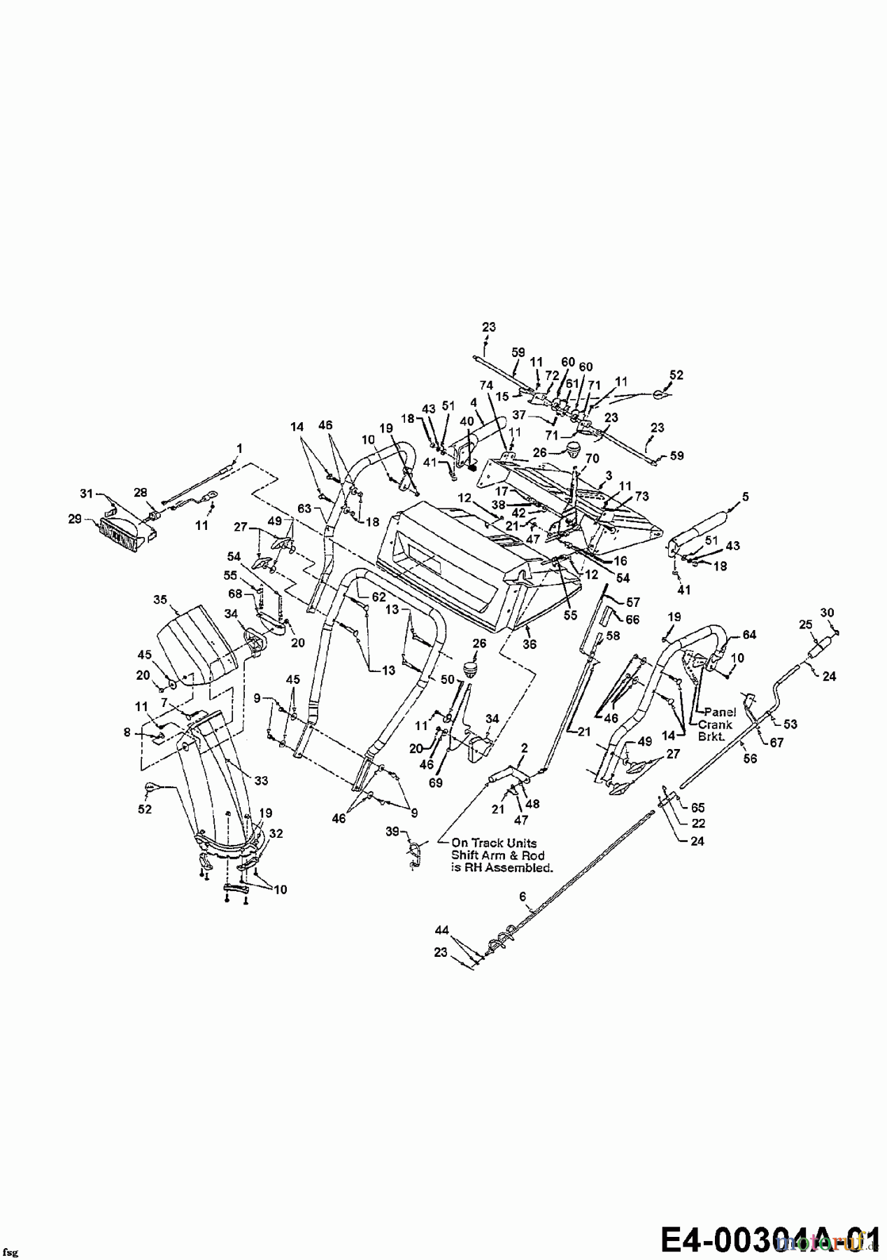
Hier finden Sie die Ersatzteilzeichnung für Yard-Man Schneefräsen E 753 F 31AE753F643 (1999) Armaturenbrett, Auswurfschacht, Holm. Wählen Sie das benötigte Ersatzteil aus der Ersatzteilliste Ihres Yard-Man Gerätes aus und bestellen Sie einfach online. Viele Yard-Man Ersatzteile halten wir ständig in unserem Lager für Sie bereit.


Qualitätsmanagement
Informieren Sie uns, wenn Sie einen Fehler gefunden haben.



















