Yard-Man E 643 E 31AE643E643 (1999) Fahrantrieb, Fräsantrieb Ersatzteile
Fahrantrieb, Fräsantrieb 31AE643E643 (1999)

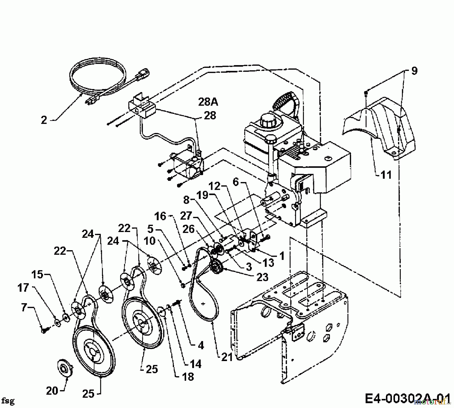
Hier finden Sie die Ersatzteilzeichnung für Yard-Man Schneefräsen E 643 E 31AE643E643 (1999) Fahrantrieb, Fräsantrieb. Wählen Sie das benötigte Ersatzteil aus der Ersatzteilliste Ihres Yard-Man Gerätes aus und bestellen Sie einfach online. Viele Yard-Man Ersatzteile halten wir ständig in unserem Lager für Sie bereit.

















