Yard-Man Beetle 13A-310-643 (1997) Rahmen, Tank Ersatzteile
Rahmen, Tank 13A-310-643 (1997)

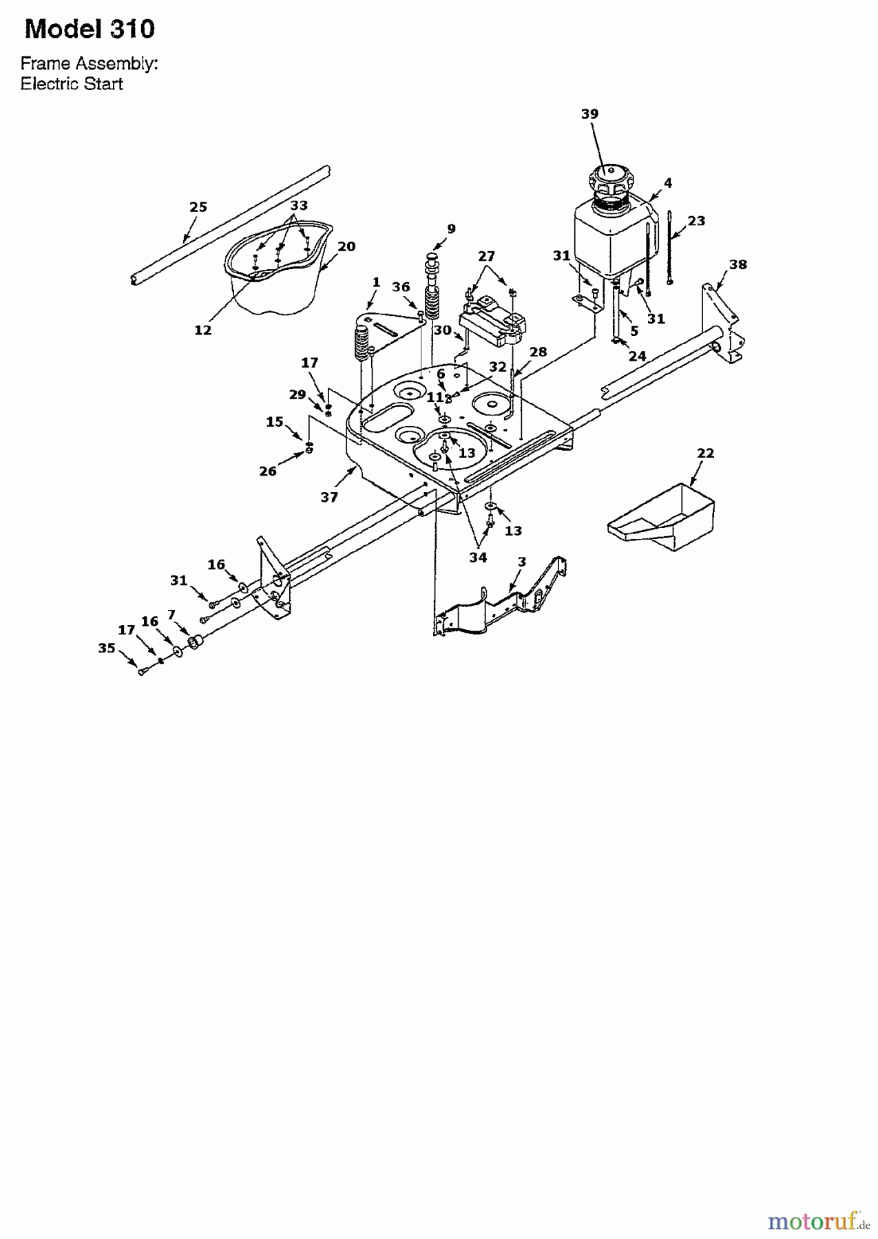
Hier finden Sie die Ersatzteilzeichnung für Yard-Man Rasentraktoren Beetle 13A-310-643 (1997) Rahmen, Tank. Wählen Sie das benötigte Ersatzteil aus der Ersatzteilliste Ihres Yard-Man Gerätes aus und bestellen Sie einfach online. Viele Yard-Man Ersatzteile halten wir ständig in unserem Lager für Sie bereit.


Qualitätsmanagement
Informieren Sie uns, wenn Sie einen Fehler gefunden haben.












