Yard-Man HH 8200 14AU834H643 (1998) Mähwerk H (46"/117cm) Ersatzteile
Mähwerk H (46"/117cm) 14AU834H643 (1998)

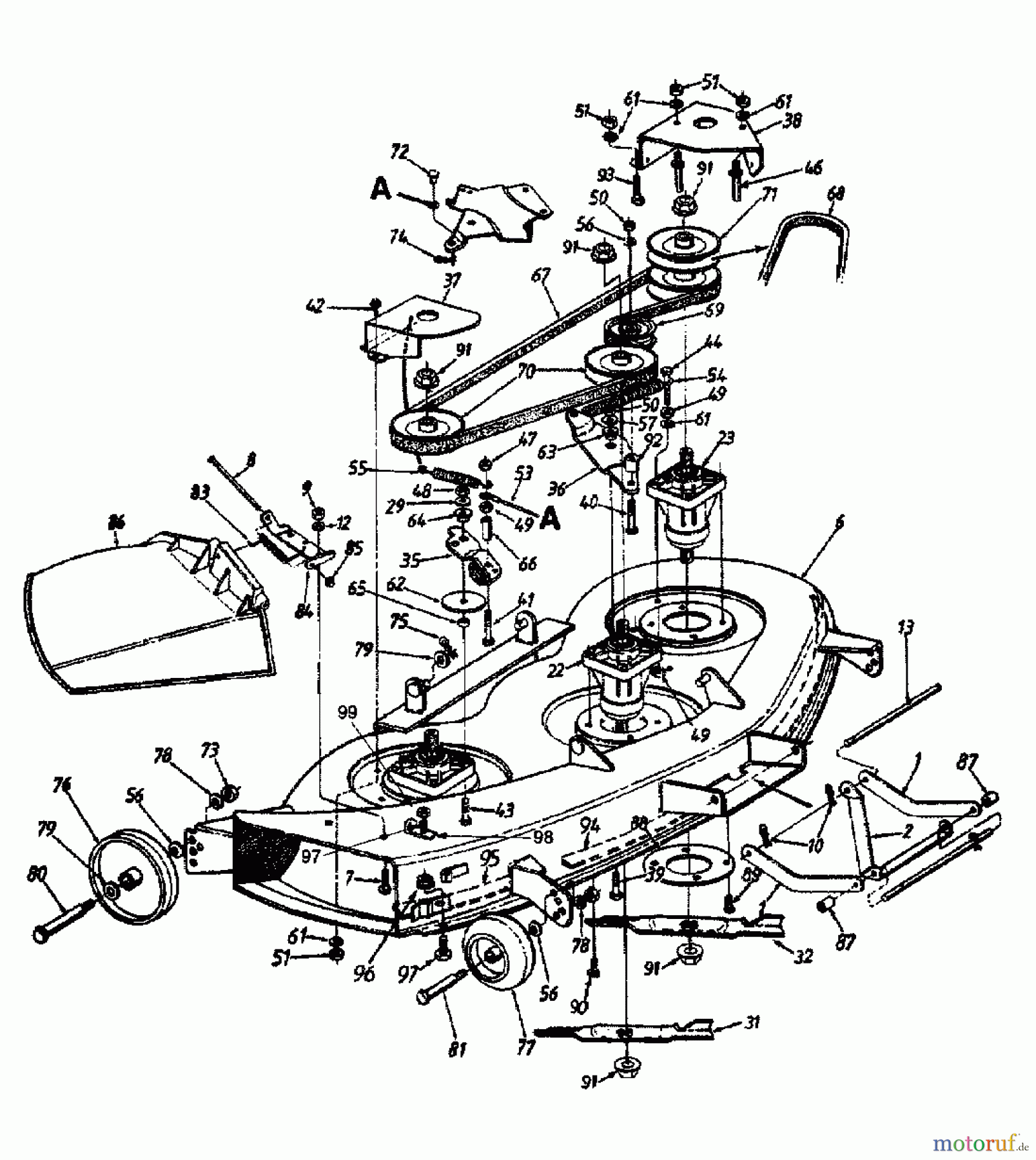
Hier finden Sie die Ersatzteilzeichnung für Yard-Man Gartentraktoren HH 8200 14AU834H643 (1998) Mähwerk H (46"/117cm). Wählen Sie das benötigte Ersatzteil aus der Ersatzteilliste Ihres Yard-Man Gerätes aus und bestellen Sie einfach online. Viele Yard-Man Ersatzteile halten wir ständig in unserem Lager für Sie bereit.


Qualitätsmanagement
Informieren Sie uns, wenn Sie einen Fehler gefunden haben.































