MTD CB 460 ST 901B467S001 (1995) Ersatzteile
901B467S001 (1995) CB 460 ST

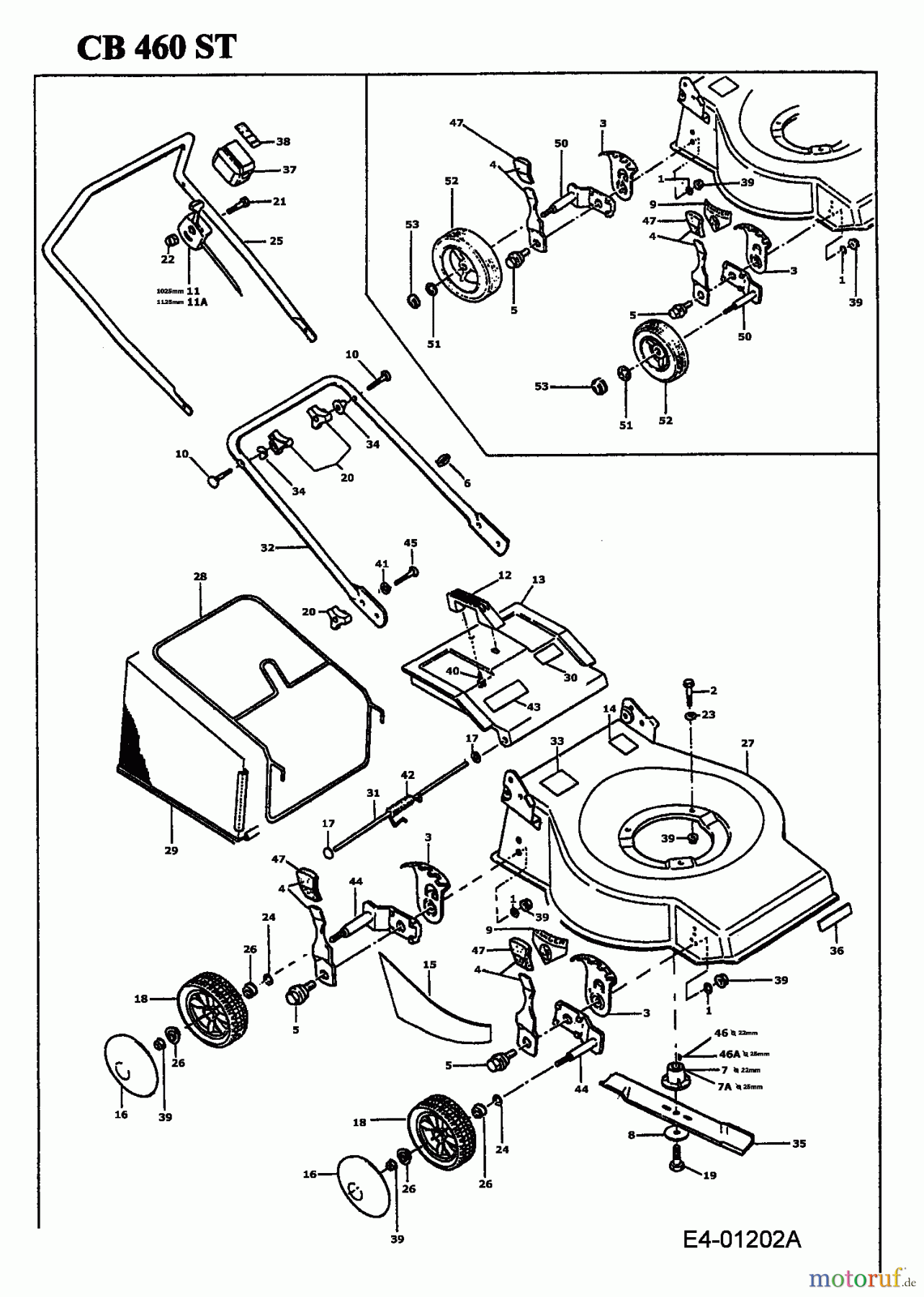
Hier finden Sie die Ersatzteilzeichnung für MTD Motormäher CB 460 ST 901B467S001 (1995) Grundgerät. Wählen Sie das benötigte Ersatzteil aus der Ersatzteilliste Ihres MTD Gerätes aus und bestellen Sie einfach online. Viele MTD Ersatzteile halten wir ständig in unserem Lager für Sie bereit.



