Wolf-Garten GCV 135 2098000-135 (2004) Bremse, Schwungrad, Zündspule Ersatzteile
Bremse, Schwungrad, Zündspule 2098000-135 (2004)

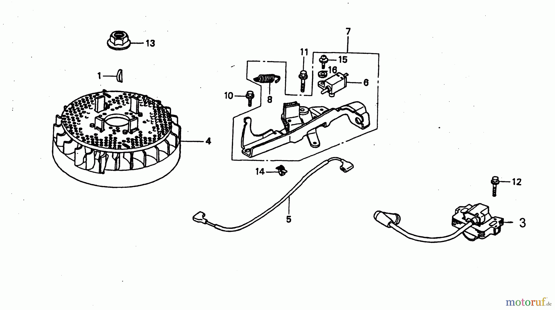
Hier finden Sie die Ersatzteilzeichnung für Wolf-Garten Benzinmotoren Honda GCV 135 2098000-135 (2004) Bremse, Schwungrad, Zündspule. Wählen Sie das benötigte Ersatzteil aus der Ersatzteilliste Ihres Wolf-Garten Gerätes aus und bestellen Sie einfach online. Viele Wolf-Garten Ersatzteile halten wir ständig in unserem Lager für Sie bereit.


Qualitätsmanagement
Informieren Sie uns, wenn Sie einen Fehler gefunden haben.

