Wolf-Garten TT 300 S 3621000 (2011) Ersatzteile
3621000 (2011) TT 300 S

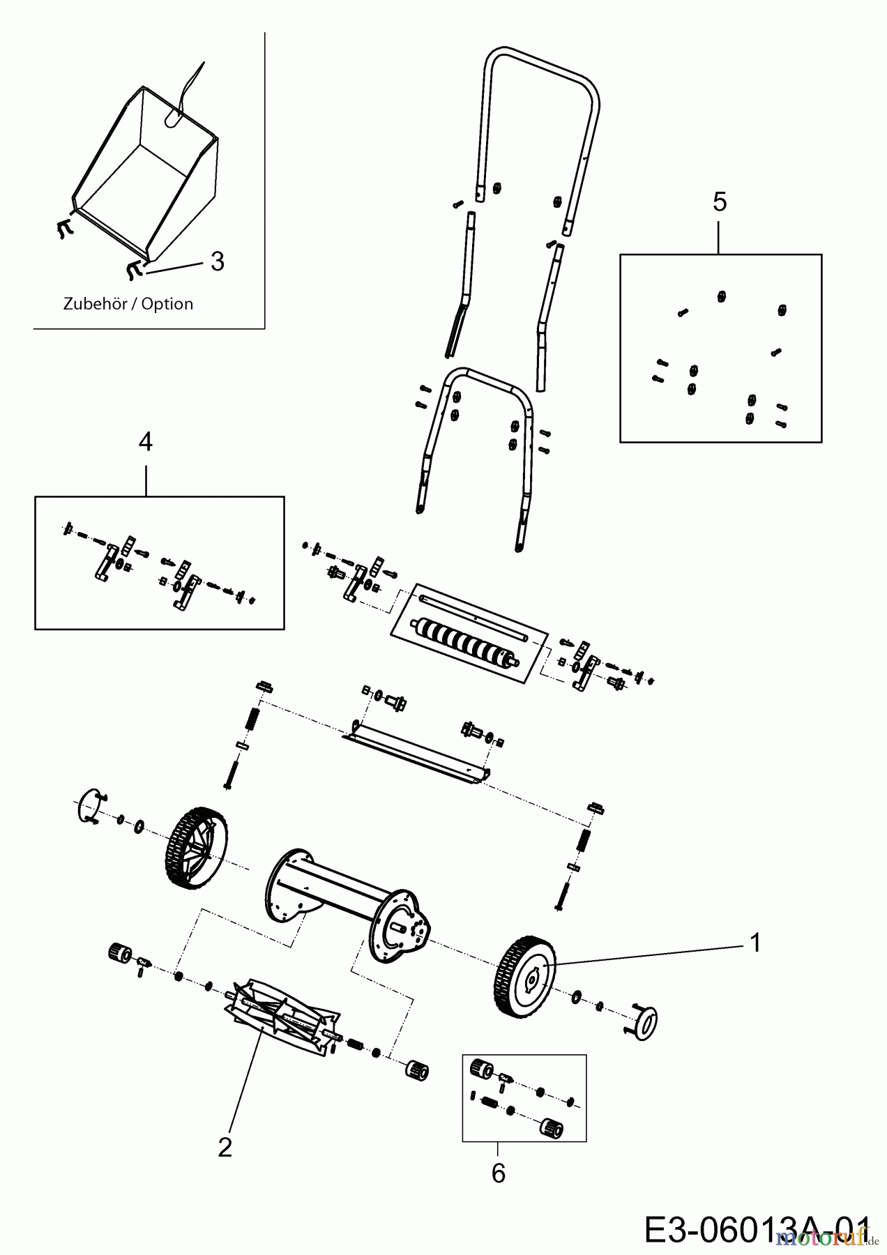
Hier finden Sie die Ersatzteilzeichnung für Wolf-Garten Spindelmäher TT 300 S 3621000 (2011) Grundgerät. Wählen Sie das benötigte Ersatzteil aus der Ersatzteilliste Ihres Wolf-Garten Gerätes aus und bestellen Sie einfach online. Viele Wolf-Garten Ersatzteile halten wir ständig in unserem Lager für Sie bereit.
| BildNr | Artikel Nummer | Bezeichnung | |
| 1 | 092.48.688 | SATZ RAEDER ZU GT 5614 | |
| 2 | 092.48.689 | MESSER ZU GT 5614 12" | |
| 3 | 092.48.958 | HALTECLIPS FANGSACK | |
| 4 | 092.61.021 | BEIPACK BEFESTIGUNG WALZE | |
| 5 | 092.61.020 | BEIPACK HOLMBEFESTIGUNG | |



