Güde Elektrischer Seilzug GSZ 200/400 CH Art.Nr.: 01706CH FSL01706CH-01 Ersatzteile
FSL01706CH-01 Elektrischer Seilzug GSZ 200/400 CH Art.Nr.: 01706CH
Gültig für folgende Seriennummern (ersten 5 Ziffern der Geräteseriennummer)
80515

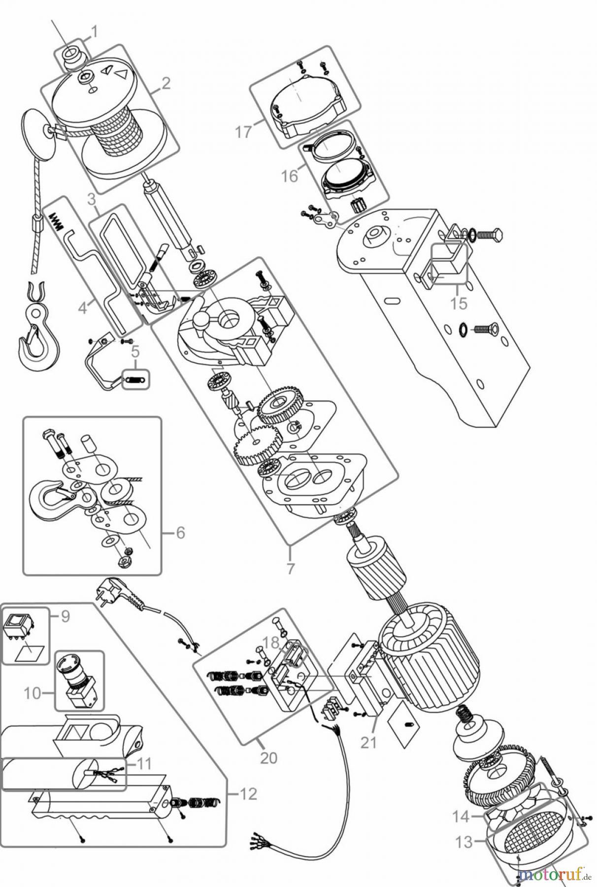
Hier finden Sie die Ersatzteilzeichnung für Güde Hebetechnik Seilzüge Elektrischer Seilzug GSZ 200/400 CH Art.Nr.: 01706CH FSL01706CH-01 Seite 1. Wählen Sie das benötigte Ersatzteil aus der Ersatzteilliste Ihres Güde Gerätes aus und bestellen Sie einfach online. Viele Güde Ersatzteile halten wir ständig in unserem Lager für Sie bereit.


Qualitätsmanagement
Informieren Sie uns, wenn Sie einen Fehler gefunden haben.

