POWERS SCHLAGSCHRAUBENSCHL. P180 Ersatzteile
P180 SCHLAGSCHRAUBENSCHL.

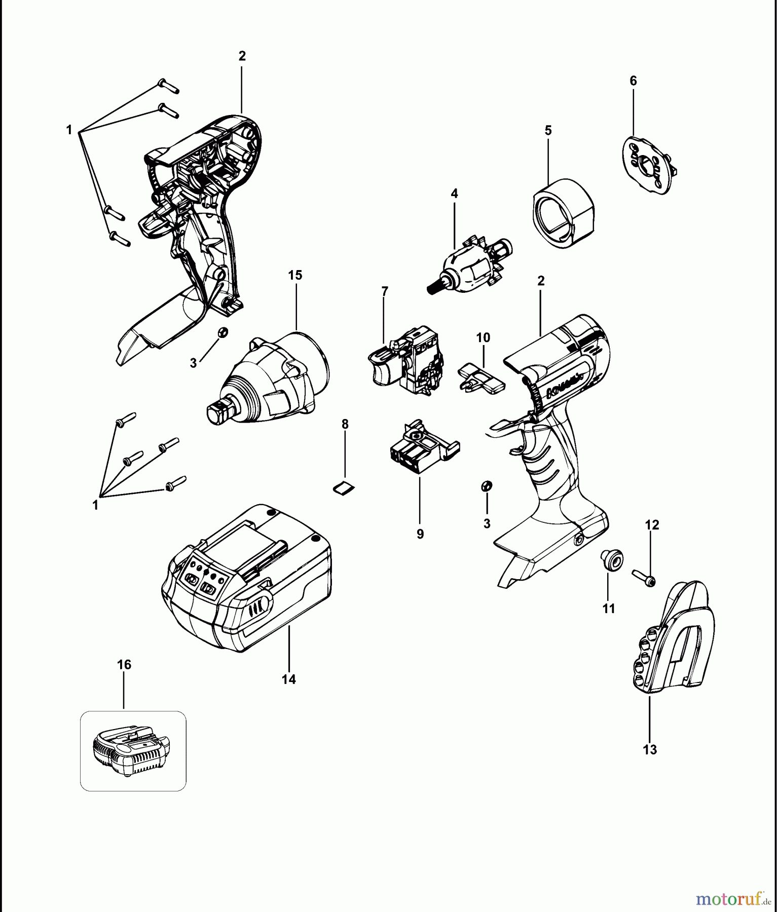
Hier finden Sie die Ersatzteilzeichnung für POWERS IMPACT WRENCHES SCHLAGSCHRAUBENSCHL. P180 Seite 1. Wählen Sie das benötigte Ersatzteil aus der Ersatzteilliste Ihres POWERS Gerätes aus und bestellen Sie einfach online. Viele POWERS Ersatzteile halten wir ständig in unserem Lager für Sie bereit.


Qualitätsmanagement
Informieren Sie uns, wenn Sie einen Fehler gefunden haben.

