STANLEY 20mm 2Kg SDSplus TRADESMA KD620K Ersatzteile
KD620K 20mm 2Kg SDSplus TRADESMA

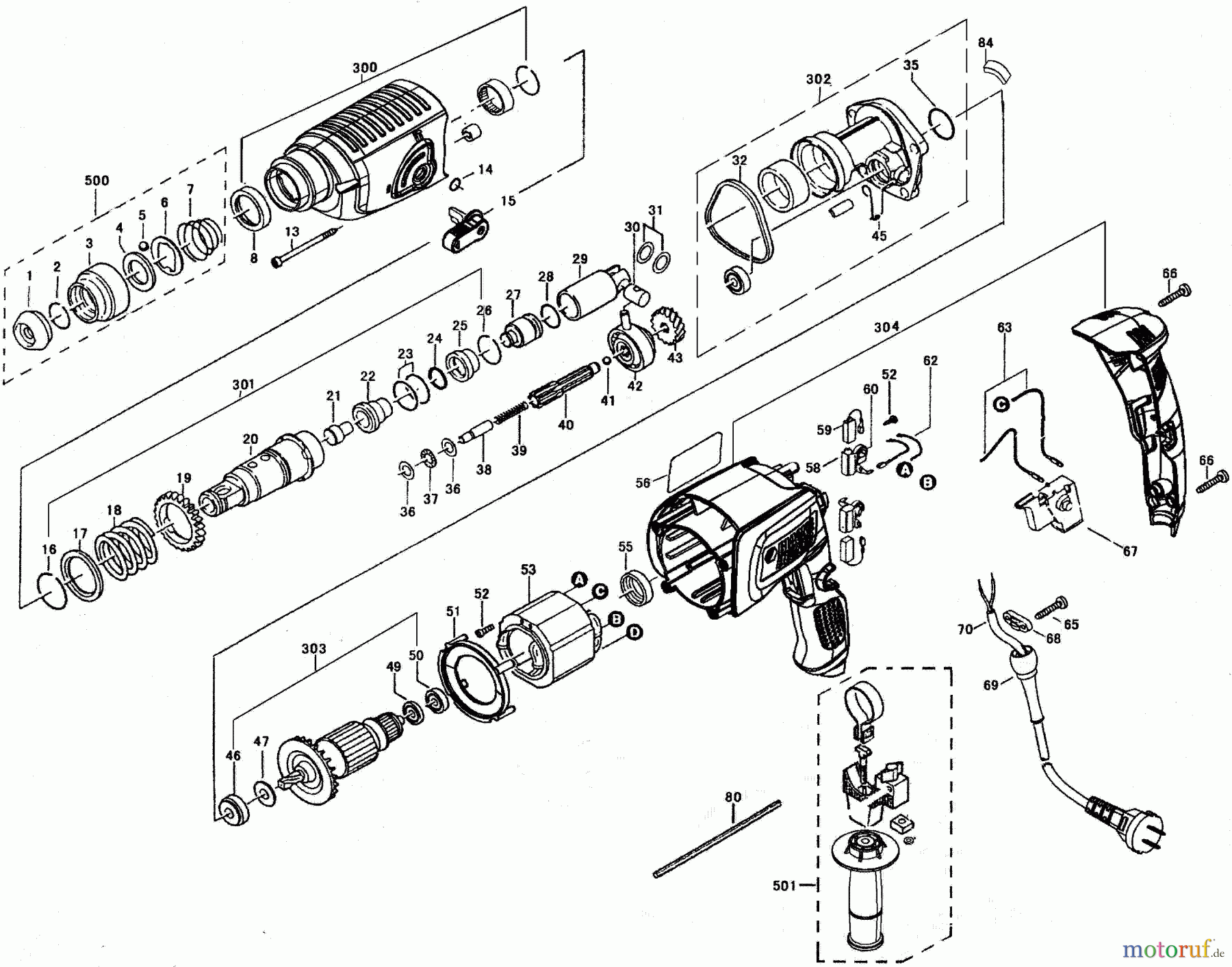
Hier finden Sie die Ersatzteilzeichnung für STANLEY Divers 20mm 2Kg SDSplus TRADESMA KD620K Seite 1. Wählen Sie das benötigte Ersatzteil aus der Ersatzteilliste Ihres STANLEY Gerätes aus und bestellen Sie einfach online. Viele STANLEY Ersatzteile halten wir ständig in unserem Lager für Sie bereit.



