STANLEY COMP 4G 125PSI 120V FMFP70979 Ersatzteile
FMFP70979 COMP 4G 125PSI 120V

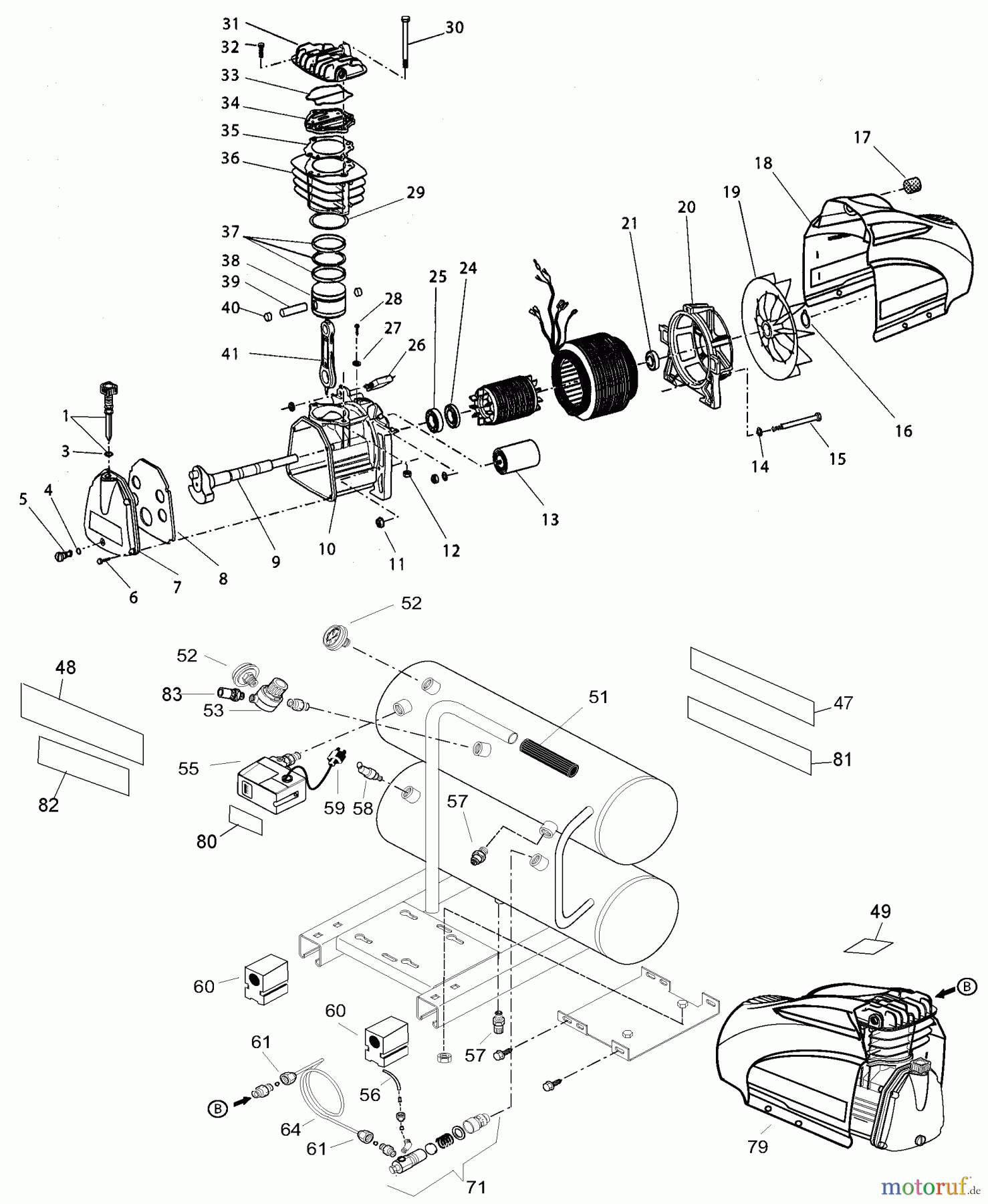
Hier finden Sie die Ersatzteilzeichnung für STANLEY Divers COMP 4G 125PSI 120V FMFP70979 Seite 1. Wählen Sie das benötigte Ersatzteil aus der Ersatzteilliste Ihres STANLEY Gerätes aus und bestellen Sie einfach online. Viele STANLEY Ersatzteile halten wir ständig in unserem Lager für Sie bereit.


Qualitätsmanagement
Informieren Sie uns, wenn Sie einen Fehler gefunden haben.

