DEVILBISS 3/8IN DRILL ET1205 Ersatzteile
ET1205 3/8IN DRILL

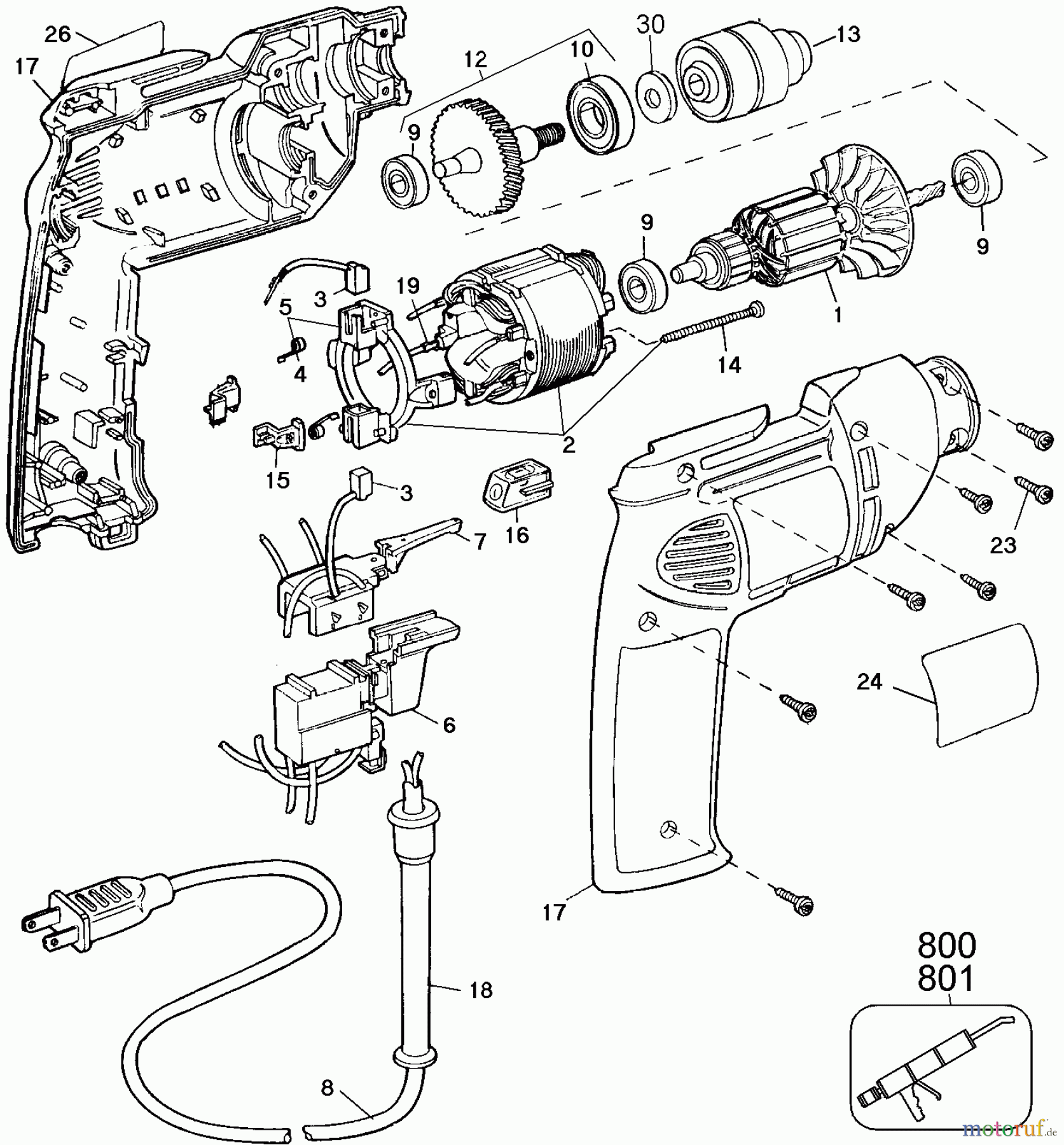
Hier finden Sie die Ersatzteilzeichnung für DEVILBISS Divers 3/8IN DRILL ET1205 Seite 1. Wählen Sie das benötigte Ersatzteil aus der Ersatzteilliste Ihres DEVILBISS Gerätes aus und bestellen Sie einfach online. Viele DEVILBISS Ersatzteile halten wir ständig in unserem Lager für Sie bereit.


Qualitätsmanagement
Informieren Sie uns, wenn Sie einen Fehler gefunden haben.

