DEWALT DW610 MOTOR REPLAC DW612 Ersatzteile
DW612 DW610 MOTOR REPLAC

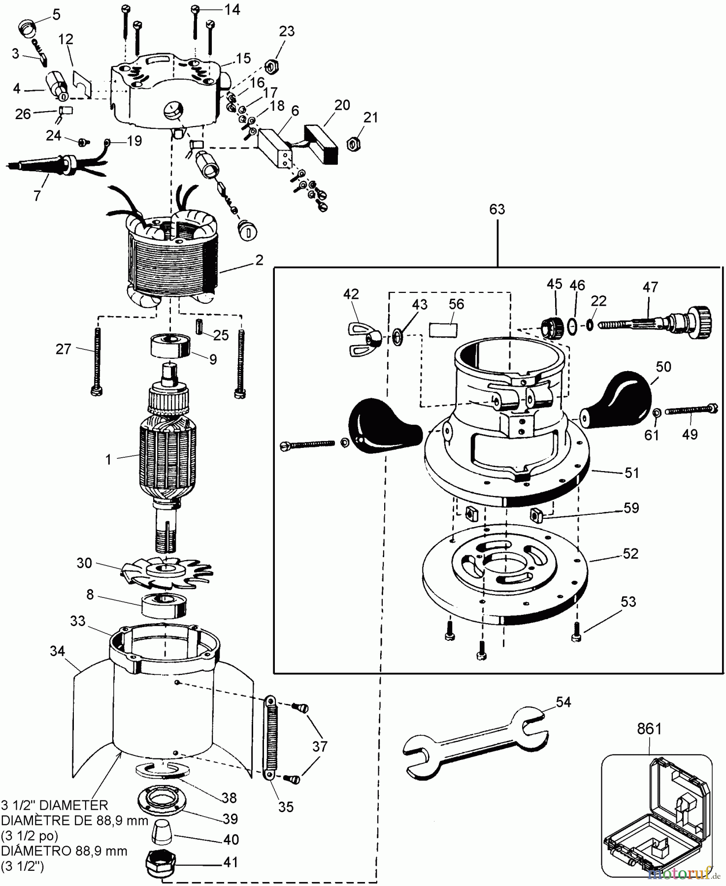
Hier finden Sie die Ersatzteilzeichnung für DEWALT Divers DW610 MOTOR REPLAC DW612 Seite 1. Wählen Sie das benötigte Ersatzteil aus der Ersatzteilliste Ihres DEWALT Gerätes aus und bestellen Sie einfach online. Viele DEWALT Ersatzteile halten wir ständig in unserem Lager für Sie bereit.



