DEWALT 3/8 4.2A HD DRILL-MEXICO DW503-35 Ersatzteile
DW503-35 3/8 4.2A HD DRILL-MEXICO

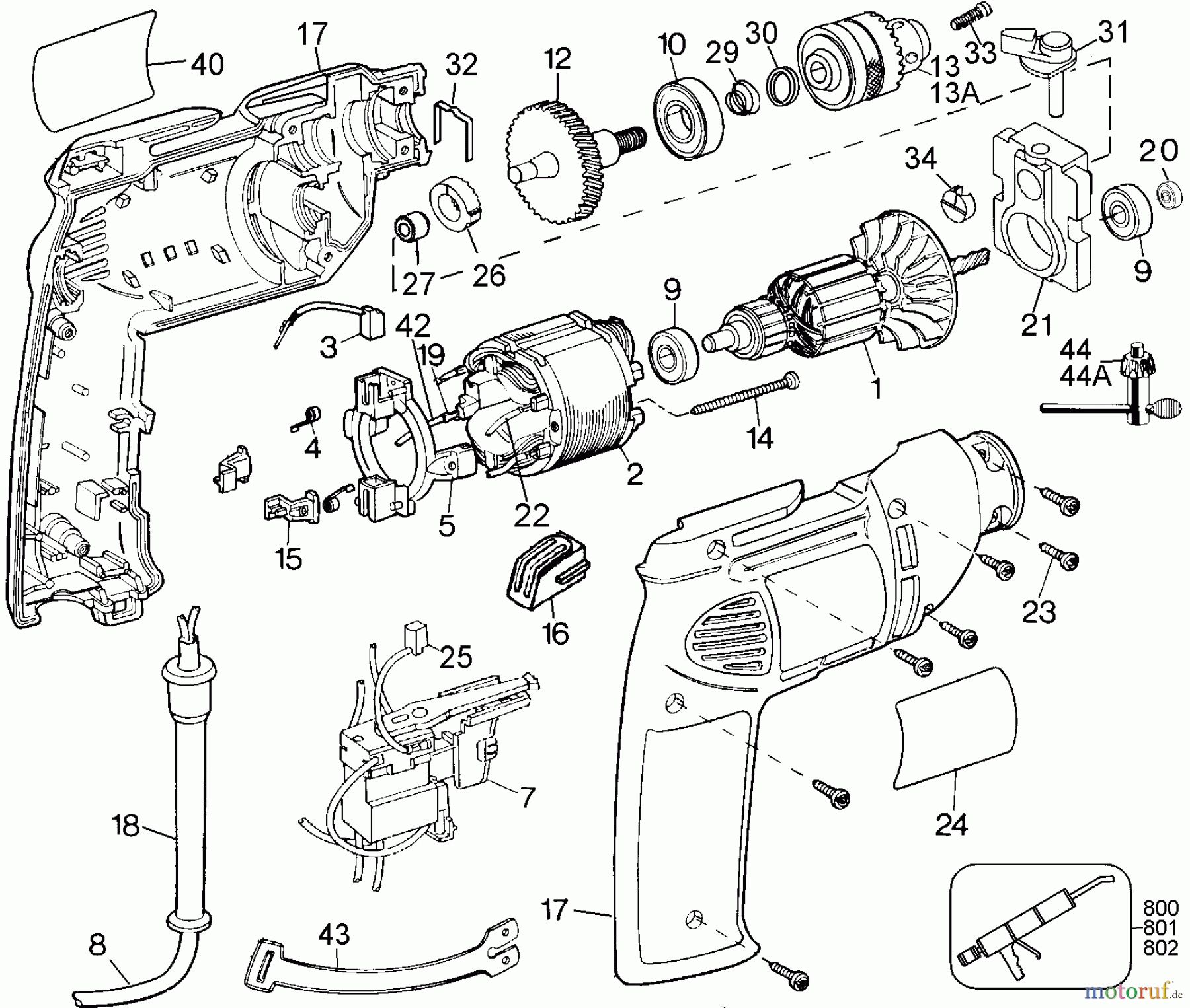
Hier finden Sie die Ersatzteilzeichnung für DEWALT Divers 3/8 4.2A HD DRILL-MEXICO DW503-35 Seite 1. Wählen Sie das benötigte Ersatzteil aus der Ersatzteilliste Ihres DEWALT Gerätes aus und bestellen Sie einfach online. Viele DEWALT Ersatzteile halten wir ständig in unserem Lager für Sie bereit.



