BLACK+DECKER 1400W CIRC SAW WITH 2 BLA CS1020D Ersatzteile
CS1020D 1400W CIRC SAW WITH 2 BLA

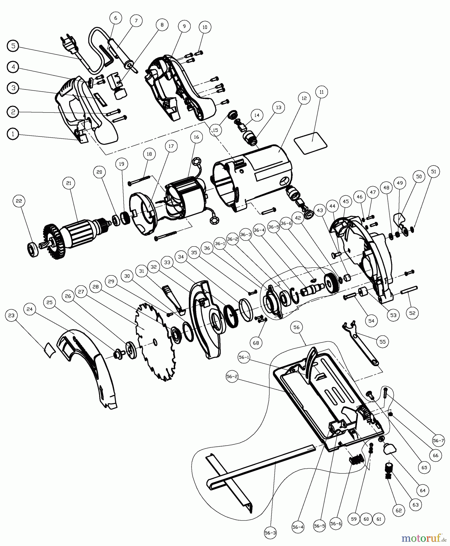
Hier finden Sie die Ersatzteilzeichnung für BLACK+DECKER Divers 1400W CIRC SAW WITH 2 BLA CS1020D Seite 1. Wählen Sie das benötigte Ersatzteil aus der Ersatzteilliste Ihres BLACK+DECKER Gerätes aus und bestellen Sie einfach online. Viele BLACK+DECKER Ersatzteile halten wir ständig in unserem Lager für Sie bereit.


