OEM Black und Decker WINKELSCHLEIFER 27712 Ersatzteile
27712 WINKELSCHLEIFER

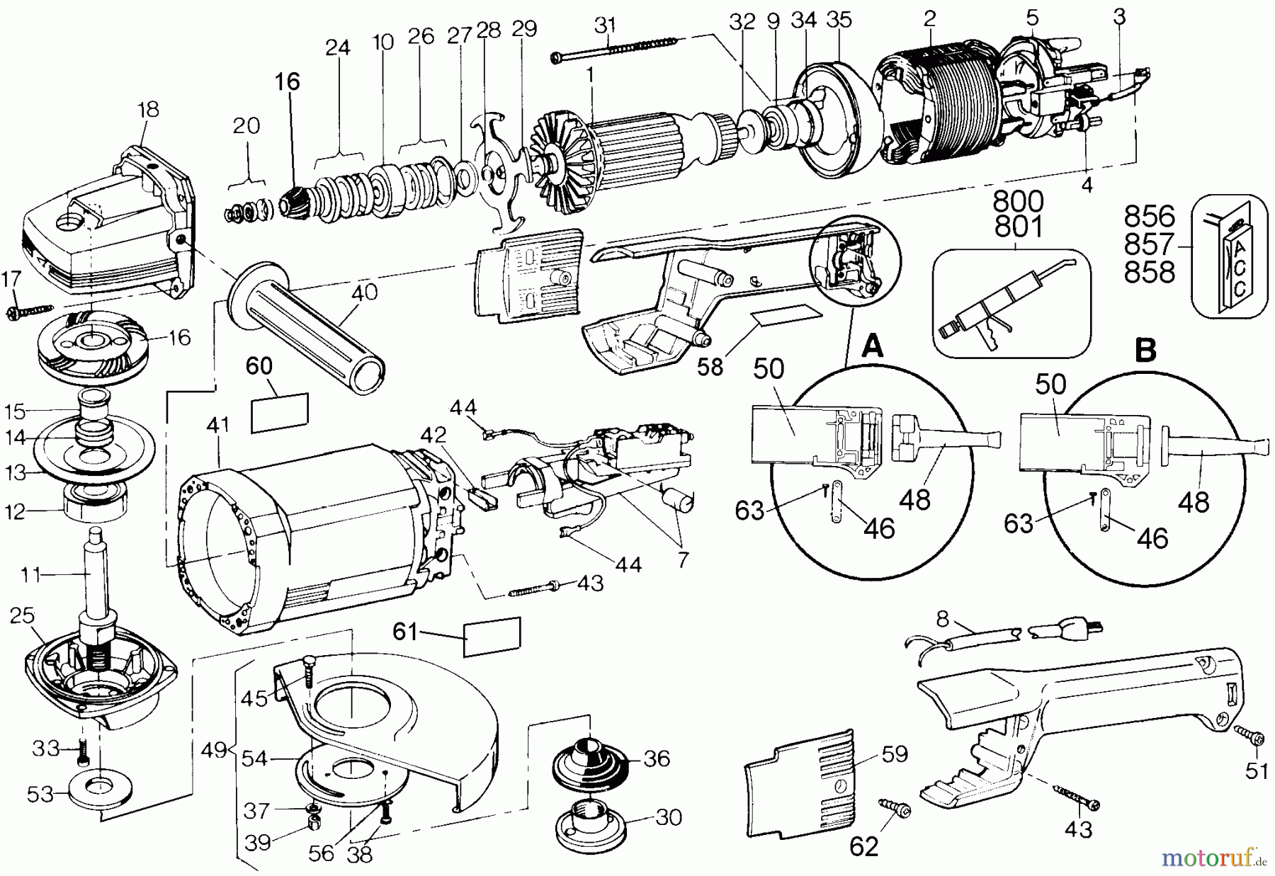
Hier finden Sie die Ersatzteilzeichnung für OEM Black und Decker Divers WINKELSCHLEIFER 27712 Seite 1. Wählen Sie das benötigte Ersatzteil aus der Ersatzteilliste Ihres OEM Black und Decker Gerätes aus und bestellen Sie einfach online. Viele OEM Black und Decker Ersatzteile halten wir ständig in unserem Lager für Sie bereit.


Qualitätsmanagement
Informieren Sie uns, wenn Sie einen Fehler gefunden haben.

