Einstellungen Computer

Gutbrod SR 800 E 02888.06 (1990) Holm Ersatzteile

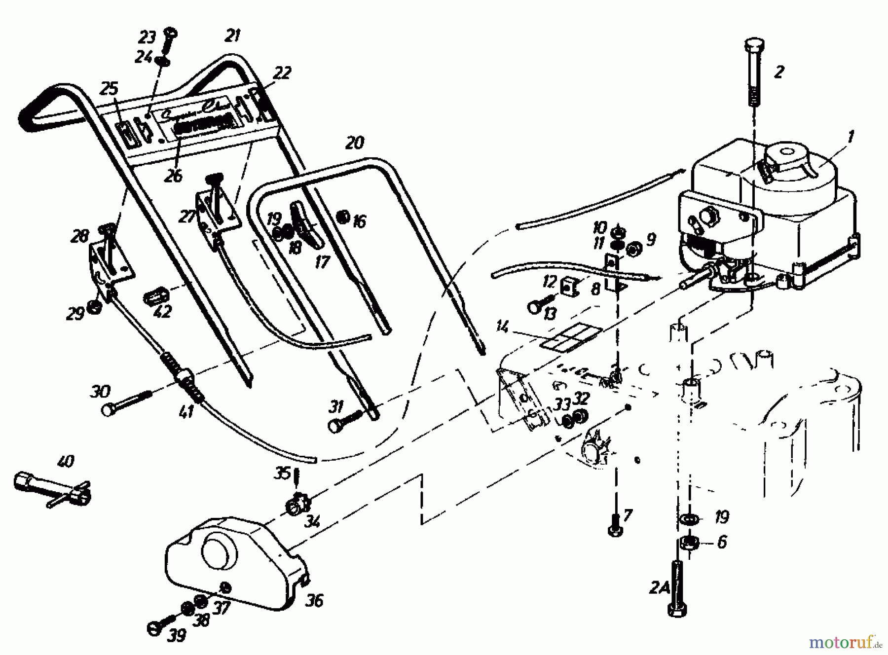
Holm 02888.06 (1990)

 Gutbrod Schneeräumer SR 800 E 02888.06  (1990) Holm

Hier finden Sie die Ersatzteilzeichnung für Gutbrod Schneeräumer SR 800 E 02888.06 (1990) Holm. Wählen Sie das benötigte Ersatzteil aus der Ersatzteilliste Ihres Gutbrod Gerätes aus und bestellen Sie einfach online. Viele Gutbrod Ersatzteile halten wir ständig in unserem Lager für Sie bereit.

Rasen
Bankeinzug, MasterCard, Visa, American Express, PayPal, Nachnahme, Vorauskasse, Sofortüberweisung
Datenschutzerklärung Impressum
Qualitätsmanagement
Informieren Sie uns, wenn Sie einen Fehler gefunden haben.