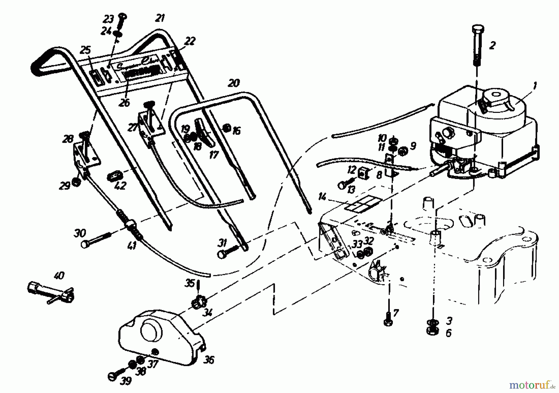
Gutbrod SR 800 02888.05 (1990) Holm Ersatzteile
Holm 02888.05 (1990)

Hier finden Sie die Ersatzteilzeichnung für Gutbrod Schneeräumer SR 800 02888.05 (1990) Holm. Wählen Sie das benötigte Ersatzteil aus der Ersatzteilliste Ihres Gutbrod Gerätes aus und bestellen Sie einfach online. Viele Gutbrod Ersatzteile halten wir ständig in unserem Lager für Sie bereit.


Qualitätsmanagement
Informieren Sie uns, wenn Sie einen Fehler gefunden haben.

